Редукционный соединитель DL22 на DL18 (корпус) арт. 104117.1 от Cast
Редукционный соединитель DL22 на DL18 (корпус). Соединения с врезным кольцом (DIN 2353). Прямой адаптер (серия PR)
Это редукционный фитинг CAST (артикул 104117.1), разработанный для обеспечения надежного перехода между двумя различными метрическими диаметрами труб. Изделие предназначено для создания герметичного и компактного трубного соединения в гидравлических системах стандартного и низкого давления (Серия L). Производитель CAST гарантирует высокое качество исполнения для эксплуатации в общепромышленном оборудовании, станочном парке, системах смазки и мобильной технике, где требуется контролируемое уменьшение диаметра магистрали.
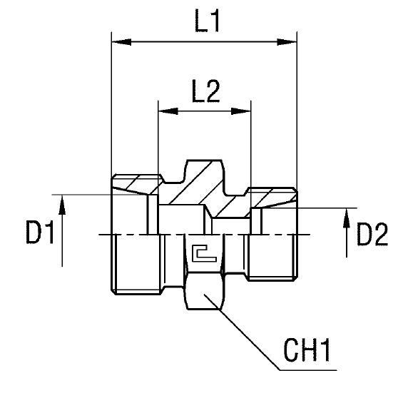
Данный корпус представляет собой редукционный прямой соединитель с двумя входами под врезное кольцо и накидную гайку (комплектующие заказываются отдельно). Конструкция основана на принципе конусной технологии 24° (стандарт DIN 2353), обеспечивая высокую герметичность. Важно: несмотря на соответствие принципам конусного уплотнения, данная нетиповая позиция (переход с D22 на D18) не соответствует нормативу ISO 8434-1 и доступна исключительно по запросу для реализации специфических инженерных решений.
- Артикул CAST: 104117.1
- Максимальное рабочее давление (WP): 250 бар (Серия L)
- Стандарт трубного соединения: Соединение 24° DIN 2353
- Размер подключения 1 (Труба/D1): 22 мм
- Размер подключения 2 (Труба/D2): 18 мм
- Размер под ключ (CH1/CH2): 32 мм / 36 мм
По умолчанию соединитель поставляется в исполнении из оцинкованной стали. Для применения в агрессивных или коррозионно-активных средах доступны специальные исполнения из нержавеющей стали. Для заказа корпуса из AISI 316 необходимо заменить префикс артикула с 10.... на 11..... Вариант с повышенной устойчивостью, включающий корпус из AISI 316 и гайку из AISI 304, заказывается при смене префикса на 14..... Обратите внимание: врезные кольца и накидные гайки должны быть заказаны отдельно, в соответствии с выбранным диаметром и материалом.