Редукционный соединитель DL18 на DL15 (корпус) арт. 104114.1 от Cast
Редукционный соединитель DL18 на DL15 (корпус). Соединения с врезным кольцом (DIN 2353). Прямой адаптер (серия PR)
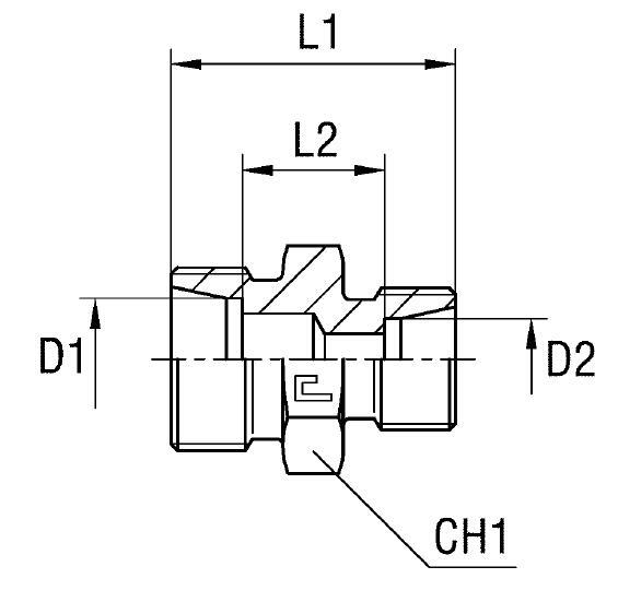
Данный редукционный соединительный корпус (артикул 104114.1), разработанный компанией CAST, предназначен для адаптации гидравлических линий с различным наружным диаметром труб. Изделие обеспечивает переход с условного диаметра 18 мм на 15 мм в гидравлических системах легкой серии (L). Основное назначение – создание герметичного, компактного трубного соединения в стационарной и мобильной технике, работающей под стандартным и высоким давлением, включая станки, прессы и специализированное оборудование. Рабочее давление корпуса составляет до 400 бар.
Конструктивно фитинг представляет собой цельнометаллический редукционный корпус, обеспечивающий надежный захват и удержание труб различных размеров посредством 24° конуса, соответствующего стандарту DIN 2353. Обратите внимание, что данная специализированная позиция, являющаяся редукционным элементом в легкой серии, не соответствует норме ISO 8434-1 и доступна исключительно по индивидуальному запросу для специфических инженерных решений. Для создания полноценного гидравлического соединения требуются соответствующие гайки и врезные кольца.
- Рабочее давление (WP): 400 бар
- Диаметр трубы D1 (вход): 18 мм
- Диаметр трубы D2 (выход): 15 мм (подразумеваемый)
- Серия: L (Легкая серия)
- Стандарт: Соединения 24° DIN 2353
- Размер под ключ (CH2 / CH1): 32 мм / 27 мм
Стандартный материал изготовления – оцинкованная сталь. Для работы в условиях высокой влажности или агрессивных сред доступно исполнение из нержавеющей стали AISI 316. Для заказа коррозионностойкого исполнения необходимо скорректировать префикс артикула: 11.... для полностью нержавеющего фитинга AISI 316 или 14...., если корпус выполняется из AISI 316, а гайка – из AISI 304.