Редукционный соединитель DL12 на DL08 (корпус) арт. 104108.1 от Cast
Редукционный соединитель DL12 на DL08 (корпус). Соединения с врезным кольцом (DIN 2353). Прямой адаптер (серия PR)
Данный редукционный корпусный фитинг CAST, артикул 104108.1, предназначен для создания надежного и герметичного трубного соединения с изменением номинального диаметра в гидравлических системах. Относится к легкой серии (L) и разработан для применения в линиях низкого и среднего давления. Основные области применения включают стационарные установки, системы смазки, машиностроение и подключение вспомогательных контуров мобильной техники.
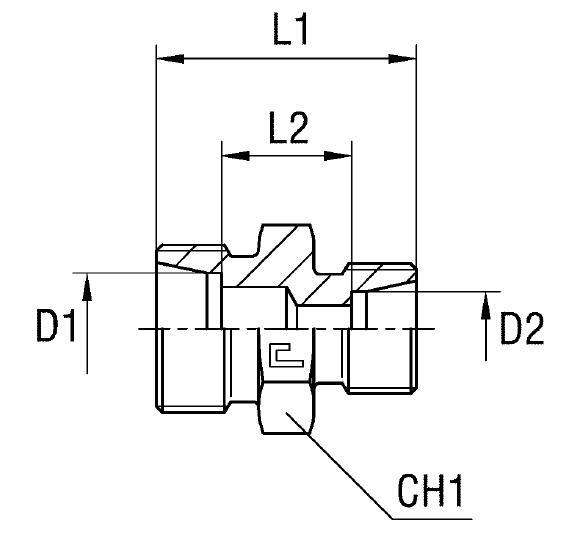
Конструкция представляет собой прямой корпусный элемент, обеспечивающий переход от номинального диаметра D1=12 мм к D2=8 мм. Соединение выполнено по принципу врезного 24° конуса, что соответствует техническим требованиям стандарта DIN 2353. Важно отметить, что данная специальная позиция не соответствует в полной мере норме ISO 8434-1 и доступна исключительно по отдельному запросу, обеспечивая при этом высокую стабильность системы при динамических нагрузках.
- Максимальное рабочее давление (WP): 400 бар
- Номинальный диаметр подключения D1 (труба): 12 мм
- Серия: Легкая (L)
- Стандарт соединения: 24° конус по DIN 2353
- Размер под ключ CH1 / CH2: 19 мм / 22 мм
- Длина корпуса L3: 42,5 мм
Стандартное исполнение фитинга CAST (префикс 10....) изготовлено из высокопрочной углеродистой стали с антикоррозионным покрытием. Для эксплуатации в агрессивных или коррозионных средах доступно исполнение из нержавеющей стали AISI 316 (префикс 11....). При необходимости повышения коррозионной стойкости при сохранении бюджета возможен вариант (префикс 14....), где корпус выполнен из AISI 316, а накидная гайка (поставляется отдельно) — из нержавеющей стали AISI 304.