Редукционный соединитель DL12 на DL06 (корпус) арт. 104107.1 от Cast
Редукционный соединитель DL12 на DL06 (корпус). Соединения с врезным кольцом (DIN 2353). Прямой адаптер (серия PR)
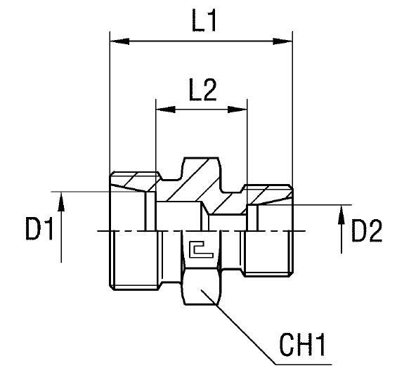
Данный редукционный соединитель, артикул 104107.1 от бренда CAST, серия L, предназначен для создания герметичного и надежного трубного соединения с уменьшением диаметра гидравлической линии. Он обеспечивает переход между двумя трубными диаметрами, что критически важно для оптимизации потока и адаптации к различным компонентам системы. Основные области применения включают гидравлические системы низкого и стандартного давления в мобильной и стационарной технике, промышленном оборудовании и машиностроении.
Конструктивно представляет собой литой корпус, разработанный для 24° конусных трубных соединений согласно стандарту DIN 2353. Несмотря на соответствие принципам DIN 2353, данная конкретная конфигурация редукции (DL12 на DL06) не соответствует норме ISO 8434-1 и доступна только по запросу. Элемент требует использования отдельных врезных колец и накидных гаек для полного и герметичного монтажа.
- Артикул: 104107.1
- Бренд: Cast
- Рабочее давление (WP): 400 бар
- Диаметр трубы M1/D1: 12 мм
- Диаметр трубы M2/D2: 6 мм
- Размер под ключ 1 (CH1): 19 мм
- Размер под ключ 2 (CH2): 22 мм
- Серия: L (легкая)
- Длина L1: 27 мм
- Длина L2: 13 мм
- Длина L3: 42 мм
- Стандарт соединения: 24° DIN 2353
Стандартное исполнение гидравлического редукционного соединителя поставляется из стали. Для условий, требующих повышенной стойкости к коррозии или работы с агрессивными средами, доступна версия из нержавеющей стали AISI 316 (артикул начинается с `11....`). Существует также вариант из нержавеющей стали AISI 316 для корпуса с гайкой из AISI 304 (артикул начинается с `14....`). Для заказа альтернативных материалов необходимо изменить префикс артикула. Важно учитывать, что эта позиция, несмотря на совместимость с трубным соединением DIN 2353, является нестандартной по ISO 8434-1 и поставляется под запрос.