Редукционный соединитель DL10 на DL18 (корпус) арт. 104112.1 от Cast
Редукционный соединитель DL10 на DL18 (корпус). Соединения с врезным кольцом (DIN 2353). Прямой адаптер (серия PR)
Редукционный соединитель, артикул 104112.1 от CAST, предназначен для создания надежного соединения труб различных диаметров в гидравлических системах. Используется для построения гидравлических линий в станочном оборудовании, мобильной технике и других областях, где требуется соединение труб с разными диаметрами. Подходит для систем со стандартным давлением.
Данный редукционный соединитель обеспечивает надежное и герметичное трубное соединение по стандарту DIN 2353. Конструкция фитинга позволяет использовать его в широком спектре применений. Обеспечивает переход с большего диаметра трубы на меньший.
- Рабочее давление (WP): 400 бар
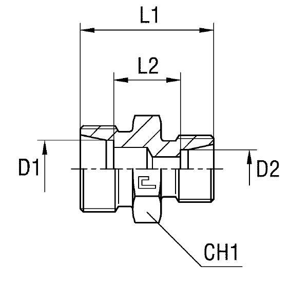
- Диаметр трубы M1/D1: 18 мм
- Размер под ключ 2 (CH2): 32 мм
- Размер под ключ 1 (CH1): 27 мм
- Серия: L
- Длина L1: 30 мм
- Длина L2: 15,5 мм
- Длина L3: 47 мм
- Стандарт трубного соединения: Соединения 24° DIN 2353
Соединитель изготовлен из стали. Для применения в агрессивных средах и обеспечения повышенной коррозионной стойкости возможен заказ исполнения из нержавеющей стали AISI 316 (артикул начинается с 11....) или из нержавеющей стали AISI 316 с гайкой из нержавеющей стали AISI 304 (артикул начинается с 14....). Обратите внимание, что данная позиция не соответствует норме ISO 8434-1 и доступна только по запросу. При выборе фитинга CAST из нержавеющей стали учитывайте условия эксплуатации.