Редукционный соединитель DL10 на DL08 (корпус) арт. 104106.1 от Cast
Редукционный соединитель DL10 на DL08 (корпус). Соединения с врезным кольцом (DIN 2353). Прямой адаптер (серия PR)
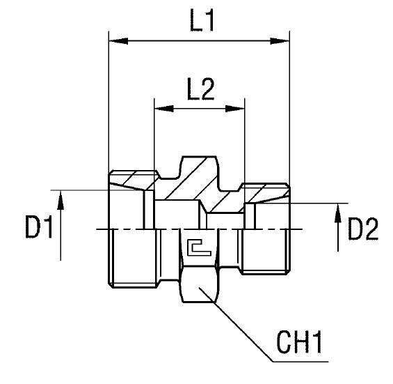
Данный редукционный соединитель (корпус), артикул 104106.1, производства фитинг CAST (Серия L), предназначен для создания надежного и герметичного прямого соединения двух гидравлических труб различного диаметра. Основное назначение – компактное подключение в высоконагруженных гидравлических линиях, где требуется переход с внешней трубы 10 мм на 8 мм. Изделие применяется в системах стандартного давления (PN 500 бар), включая станочное оборудование, системы смазки и мобильную технику.
Конструктивно фитинг представляет собой корпус, рассчитанный на использование с врезными кольцами и накидными гайками для обеспечения прочного и герметичного соединения. Хотя данная позиция DL10/DL08 является нестандартной и не соответствует прямому требованию ISO 8434-1, она базируется на принципах конусного уплотнения 24°, характерного для трубных соединений DIN 2353. Изделие требует монтажа с соблюдением рекомендованных моментов затяжки для обеспечения заявленного рабочего давления.
- Рабочее давление (WP): 500 бар
- Соединяемые диаметры: D10 мм (M1) и D8 мм (M2)
- Размер под ключ CH1 (10 мм): 17 мм
- Размер под ключ CH2 (8 мм): 19 мм
- Общая длина (L3): 42 мм
Базовое исполнение фитинга – высокопрочная оцинкованная сталь. Для эксплуатации в коррозионно-активных или агрессивных средах доступен ряд модификаций: для заказа исполнения из нержавеющей стали AISI 316 необходимо использовать префикс артикула 11.... вместо 10..... Если требуется корпус из AISI 316 в комплекте с гайкой из AISI 304, следует указывать префикс 14..... При заказе следует учитывать, что гайки и врезные кольца поставляются отдельно, если не указано иное.