Редукционный соединитель DL10 на DL06 (корпус) арт. 104105.1 от Cast
Редукционный соединитель DL10 на DL06 (корпус). Соединения с врезным кольцом (DIN 2353). Прямой адаптер (серия PR)
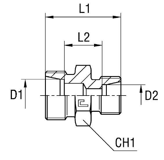
Данный редукционный корпус, артикул 104105.1, разработан для надежного и герметичного изменения диаметра трубного гидравлического соединения в системах низкого и стандартного давления. Произведенный брендом CAST в легкой серии (L), он идеально подходит для широкого спектра применений, включая машиностроение, станки, промышленное оборудование и мобильную технику, где требуется переход с трубы 10 мм на 6 мм.
Конструктивно представляет собой фитинг для адаптации труб с конусностью 24° согласно стандарту DIN 2353. Важно отметить, что данная позиция не соответствует актуальной норме ISO 8434-1 и доступна исключительно по запросу. Соединитель обеспечивает функциональное изменение диаметра при интеграции различных участков гидравлических контуров.
- Артикул: 104105.1
- Производитель: CAST
- Рабочее давление (WP): до 500 бар
- Диаметр трубного соединения D1: 10 мм
- Диаметр трубного соединения D2: 6 мм
- Серия: L (Легкая)
- Стандарт: Трубное соединение DIN 2353 (24° конус)
- Размеры под ключ (CH1 / CH2): 17 мм / 19 мм
- Общая длина L3: 41,5 мм
Стандартно поставляется как корпус из углеродистой стали. Для применения в условиях повышенной коррозии или агрессивных средах доступно исполнение из нержавеющей стали AISI 316 (для заказа замените префикс артикула 10.... на 11....). Также возможен вариант из нержавеющей стали AISI 316 с гайкой из AISI 304 (префикс 14....). Обратите внимание, что гайки и врезные кольца не входят в стандартную комплектность и приобретаются отдельно.