Редукционный соединитель DL08 на DL06 (корпус) арт. 104104.1 от Cast
Редукционный соединитель DL08 на DL06 (корпус). Соединения с врезным кольцом (DIN 2353). Прямой адаптер (серия PR)
Редукционный соединитель, артикул 104104.1, предназначен для соединения труб различных диаметров в гидравлических системах. Произведен компанией CAST, серия L. Применяется в гидравлике, системах смазки и топливоподачи, подходит для оборудования со стандартным давлением.
Соединитель обеспечивает надежное и герметичное соединение, соответствующее стандарту DIN 2353. Конструкция позволяет осуществлять переход с трубы большего диаметра на меньший, обеспечивая компактность монтажа. Совместим с трубными соединениями с углом конуса 24°.
- Рабочее давление (WP): 500 бар
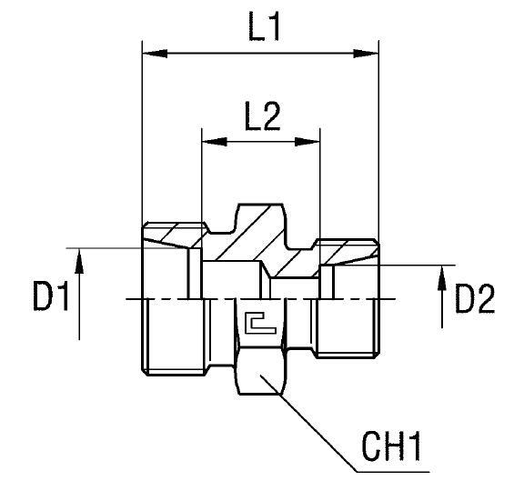
- Диаметр трубы M1/D1: 8 мм
- Размер под ключ 2 (CH2): 17 мм
- Размер под ключ 1 (CH1): 14 мм
- Серия: L
- Длина L1: 25 мм
- Длина L2: 11 мм
- Длина L3: 40.5 мм
- Стандарт трубного соединения: Соединения 24° DIN 2353
- Тип трубного соединения: проходной/адаптер, прямой
Поставляется в виде корпуса. Для заказа фитинга CAST из нержавеющей стали AISI 316 необходимо заменить первые две цифры артикула с 10 на 11. Для исполнения из нержавеющей стали AISI 316 с гайкой из нержавеющей стали AISI 304 замените префикс на 14. Данный тип трубного соединения не соответствует норме ISO 8434-1 и доступен только по запросу, что важно учитывать при проектировании.