Прямой штуцер под кольцо JE DS8 BSP 1/4" арт. 101315.1 от Cast
Прямой штуцер под кольцо JE DS8 BSP 1/4". Соединения с врезным кольцом (DIN 2353). Ввертной штуцер BSP с уплотнением ED
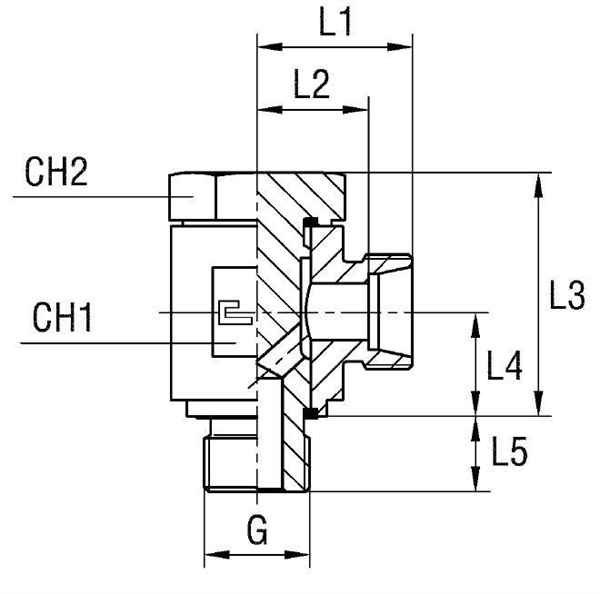
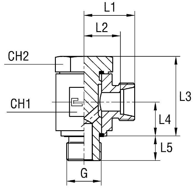
Артикул: 101315.1. Данный фитинг от производителя CAST представляет собой прямой штуцер banjo, предназначенный для создания герметичных и компактных соединений в гидравлических системах. Используется в системах, требующих надежного подключения, в том числе в мобильной технике, станкостроении и промышленном оборудовании, работающем под стандартным и высоким давлением (до 400 бар).
Конструктивно изделие выполнено в виде штуцера с banjo-соединением, соответствующим стандарту 24° DIN 2353. Обеспечивает надежное герметичное соединение благодаря использованию уплотнительного кольца (вид X - резиновое уплотнение). Конструкция гарантирует долговечность и безопасность эксплуатации в требовательных условиях. Совместим с трубными соединениями соответствующего стандарта.
- Производитель: CAST
- Артикул: 101315.1
- Рабочее давление (WP): 400 бар
- Диаметр трубы (D1): 8 мм
- Внешний размер под ключ (CH1): 22 мм
- Внутренний размер под ключ (CH2): 19 мм
- Серия: S
- Резьба: BSP 1/4"
- Стандарт соединения: 24° DIN 2353
- Тип уплотнения: X (резиновое)
Для заказа фитинга из нержавеющей стали AISI 316, замените префикс артикула с "10" на "11". При необходимости заказа фитинга из нержавеющей стали AISI 316 с гайкой из AISI 304, префикс артикула следует заменить на "14". Данные варианты исполнения оптимальны для применения в агрессивных средах, обеспечивая высокую коррозионную стойкость. Данный фитинг CAST является ключевым элементом для построения надежных гидравлических линий.