Прямой штуцер под кольцо JE DS25 M33x2 арт. 101421.1 от Cast
Прямой штуцер под кольцо JE DS25 M33x2. Соединения с врезным кольцом (DIN 2353). Ввертной штуцер Metric с уплотнением ED
Представляем прямой штуцер под кольцо JE DS25 M33x2 (артикул 101421.1) от производителя CAST. Данный фитинг предназначен для создания надежных и герметичных гидравлических соединений в системах среднего и высокого давления. Серия S идеально подходит для применения в гидравлических контурах мобильной техники, станкостроения и промышленного оборудования, где требуется компактное и долговечное решение. Основное назначение – присоединение гидравлической трубы к компоненту системы с обеспечением максимальной надежности.
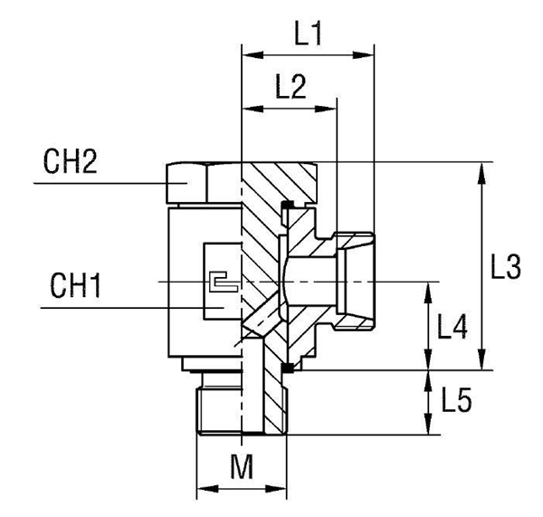
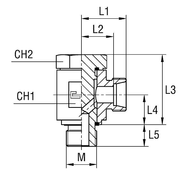
Конструктивно штуцер выполнен как полый элемент с наружной резьбой M33x2 и конусом 24°, соответствующим стандарту DIN 2353. Это обеспечивает прочное и герметичное соединение с ответными частями, такими как фланцы или корпуса аппаратов, посредством врезающегося уплотнительного кольца. Такая конструкция гарантирует высокую устойчивость к вибрациям и давлению, характерным для современных гидравлических систем. Фитинг CAST является ключевым элементом для построения надежных трубопроводных систем.
- Тип штуцера: Прямой, под врезное кольцо
- Стандарт: DIN 2353
- Рабочее давление (WP): 250 бар
- Диаметр трубы (D1): 25 мм
- Резьба присоединения (M12): M33x2
- Серия: S (Стандартная)
- Размеры под ключ (CH1/CH2): 50 мм / 46 мм
- Материал корпуса: Сталь (по умолчанию)
Стандартное исполнение штуцера выполнено из углеродистой стали, обеспечивающей необходимую прочность. Для эксплуатации в условиях повышенной влажности, агрессивных сред или для соответствия требованиям пищевой промышленности доступны варианты из нержавеющей стали AISI 316 (артикул 11...) и AISI 316 с гайкой AISI 304 (артикул 14...). При заказе необходимо указывать соответствующий префикс артикула. Данный трубное соединение гарантирует долгий срок службы и бесперебойную работу оборудования.