Прямой штуцер под кольцо JE DS25 BSP 1" арт. 101321.1 от Cast
Прямой штуцер под кольцо JE DS25 BSP 1". Соединения с врезным кольцом (DIN 2353). Ввертной штуцер BSP с уплотнением ED
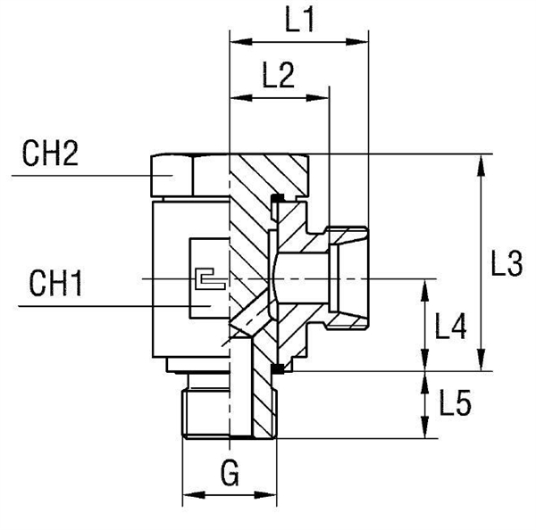
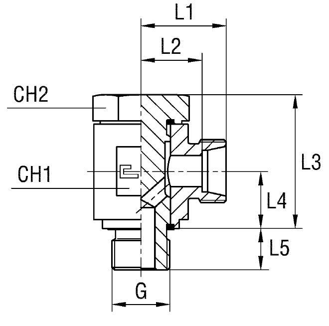
Данный прямой штуцер под кольцо (артикул 101321.1) предназначен для создания надежных и герметичных гидравлических соединений в системах среднего и высокого давления. Изделие от производителя CAST, входящее в серию S, широко применяется в мобильной технике, станкостроении, а также в контурах смазки и топливных линиях. Особенностью является использование резинового уплотнения (Вид X) для обеспечения максимальной герметичности.
Конструкция штуцера выполнена в соответствии со стандартом 24° DIN 2353, что гарантирует точную посадку и совместимость с соответствующими трубными соединениями. Форма banjo обеспечивает компактное подключение под углом 90°, оптимизируя компоновку трубопроводов. Особое внимание уделено прецизионной обработке, обеспечивающей надежное осевое уплотнение.
- Тип присоединения (резьба): BSP 1"
- Рабочее давление (WP): 250 бар
- Диаметр присоединяемой трубы (D1): 25 мм
- Размер под ключ (CH1): 50 мм
- Размер под ключ (CH2): 46 мм
- Серия: S
- Соответствие стандарту: 24° DIN 2353
- Тип уплотнения: Резиновое (Вид X)
Для применений, требующих повышенной коррозионной стойкости, доступны исполнения из нержавеющей стали AISI 316 (замена префикса артикула на 11...) или с гайкой из AISI 304 (префикс 14...). Эти варианты идеально подходят для эксплуатации в агрессивных средах. Каждый фитинг CAST данного типа обеспечивает надежное трубное соединение.