Прямой штуцер под кольцо JE DS20 BSP 3/4", артикул 101320.1 от Cast
Прямой штуцер под кольцо JE DS20 BSP 3/4". Соединения с врезным кольцом (DIN 2353). Ввертной штуцер BSP с уплотнением ED
Артикул 101320.1 представляет собой прямой штуцер banjo для герметичного соединения гидравлических линий под давлением. Данный фитинг производства CAST, серия S, предназначен для систем среднего и высокого давления. Области применения включают гидравлические системы промышленного оборудования, станки, а также мобильную технику.
Конструкция фитинга, соответствующая стандарту 24° DIN 2353, обеспечивает надежное и безопасное трубное соединение. Штуцер banjo гарантирует компактное подключение трубопроводов, оптимизируя компоновку системы. Совместимость с соответствующими трубными наконечниками и конусными уплотнениями обеспечивает герметичность.
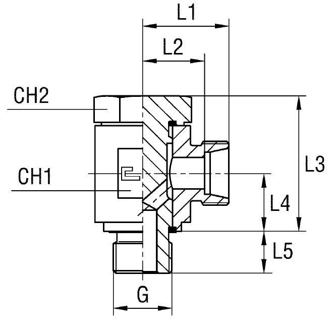
- Тип изделия: Прямой штуцер banjo (DS)
- Стандарт: 24° DIN 2353
- Тип уплотнения: X (резиновое)
- Резьба: BSP 3/4"
- Диаметр трубы (D1): 20 мм
- Рабочее давление (WP): 250 бар
- Серия: S
- Размер под ключ (CH1/CH2): 41/36 мм
- Производитель: CAST
Стандартное исполнение – углеродистая сталь с цинковым покрытием. Для применения в агрессивных средах или при повышенных требованиях к коррозионной стойкости, доступны исполнения из нержавеющей стали AISI 316. При заказе фитинга из AISI 316, необходимо заменить префикс артикула с 10 на 11. Вариант с гайкой из AISI 304 предусматривает префикс 14. В комплекте могут поставляться соответствующие уплотнительные элементы.