Прямой штуцер под кольцо JE DS16 BSP 1/2", артикул 101319.1 от Cast
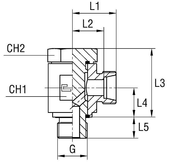
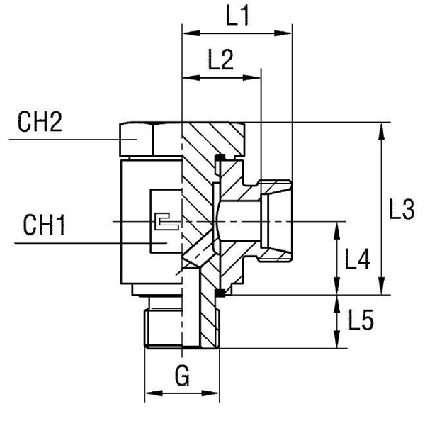
Прямой штуцер под кольцо JE DS16 BSP 1/2". Соединения с врезным кольцом (DIN 2353). Ввертной штуцер BSP с уплотнением ED
Штуцер прямого типа JE DS16 BSP 1/2" артикул 101319.1 от производителя CAST предназначен для формирования надежного и герметичного соединения в гидравлических системах. Данное изделие относится к серии S и обеспечивает компактное подключение трубопроводов, находящее применение в условиях работы со стандартным давлением. Идеально подходит для использования в мобильной технике, станкостроении, а также в системах смазки и топливоподачи.
Конструкция штуцера представляет собой полый элемент, рассчитанный на соединение с трубой посредством врезного кольца. Изделие выполнено в соответствии со стандартом DIN 2353 для конусных трубных соединений 24°, что гарантирует его совместимость с соответствующими фитингами и трубами. Обеспечивает надежное герметичное соединение без использования сварки.
- Производитель: CAST
- Артикул: 101319.1
- Рабочее давление (WP): 315 бар
- Диаметр трубы (D1): 16 мм
- Резьба: BSP 1/2"
- Серия: S
- Стандарт соединения: 24° DIN 2353
- Тип уплотнения: X (резиновое)
Данный фитинг поставляется в стандартном исполнении (сталь). Для применения в агрессивных средах и обеспечения повышенной коррозионной стойкости, доступны варианты из нержавеющей стали AISI 316 (артикул начинается с 11) или с гайкой из нержавеющей стали AISI 304 (артикул начинается с 14). Уточняйте комплектность поставки, включающую необходимые уплотнительные элементы, при заказе.