Прямой штуцер под кольцо JE DS14 BSP 1/2", артикул 101318.1 от Cast
Прямой штуцер под кольцо JE DS14 BSP 1/2". Соединения с врезным кольцом (DIN 2353). Ввертной штуцер BSP с уплотнением ED
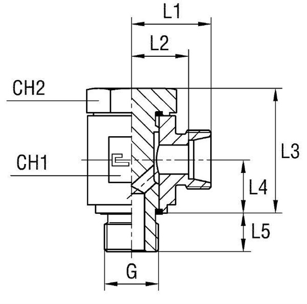
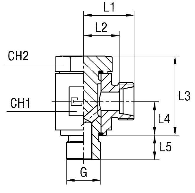
Прямой штуцер под кольцо JE DS14 BSP 1/2" (артикул 101318.1) производства CAST – это высококачественный фитинг, предназначенный для создания герметичных и надежных гидравлических соединений под средним и высоким давлением. Применяется в гидравлических системах промышленного оборудования, станков, а также в мобильной и специальной технике, где требуется компактное и безопасное подключение трубопроводов. Данная модель относится к серии S.
Конструкция штуцера предусматривает исполнение JE (вид X) с резиновым уплотнением, что обеспечивает эффективное предотвращение утечек рабочей жидкости. Фитинг соответствует стандарту DIN 2353 для конических трубных соединений 24°, гарантируя полную совместимость с соответствующими трубками и соединительными элементами. Прочная конструкция обеспечивает долговечность эксплуатации в условиях переменных нагрузок.
- Тип фитинга: Прямой штуцер под кольцо JE
- Стандарт: DIN 2353
- Рабочее давление (WP): 315 бар
- Диаметр присоединяемой трубы (D1): 14 мм
- Резьба присоединения ( BSP): 1/2"
- Серия: S
- Размер под ключ (CH1): 32 мм
- Размер под ключ (CH2): 30 мм
- Вид уплотнения: Резиновое (X)
Для использования в условиях повышенной коррозии или агрессивных сред, доступно исполнение из нержавеющей стали AISI 316. Для заказа таких фитингов, измените первые две цифры артикула с 10 на 11. При необходимости заказа фитинга из нержавеющей стали AISI 316 с гайкой из AISI 304, используйте префикс артикула 14.... Этот фитинг CAST является надежным решением для ответственных систем трубных соединений.