Прямой штуцер под кольцо JE DL22 BSP 3/4", артикул 101310.1 от Cast
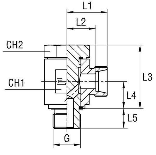
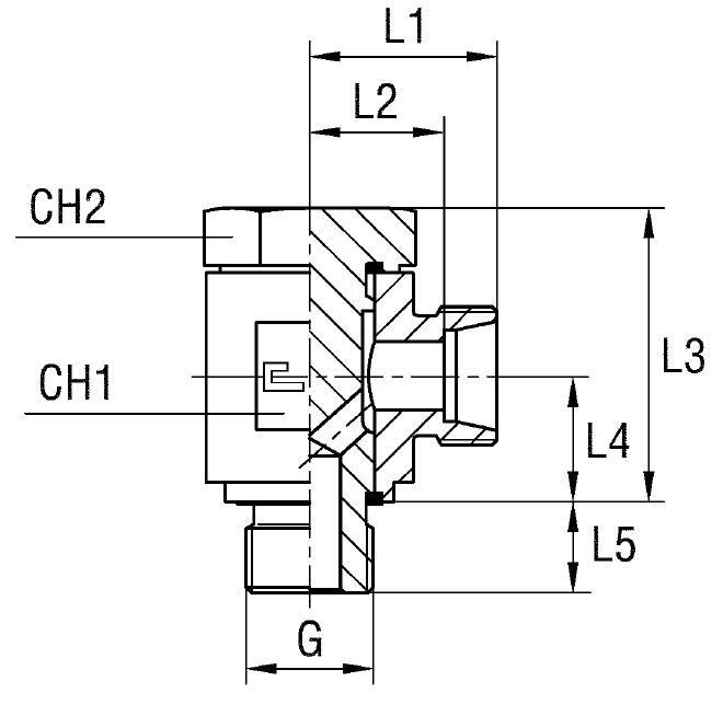
Прямой штуцер под кольцо JE DL22 BSP 3/4". Соединения с врезным кольцом (DIN 2353). Ввертной штуцер BSP с уплотнением ED
Данный прямой штуцер, артикул 101310.1, представляет собой фитинг banjo производства CAST, предназначенный для создания герметичных соединений в гидравлических системах. Используется для компактного подключения гидравлических линий к компонентам, где требуется поворотное соединение. Применяется в системах среднего давления, включая мобильную технику, станки и промышленное оборудование, где важна надежность и отсутствие утечек.
Конструкция штуцера выполнена по стандарту 24° DIN 2353, обеспечивая совместимость с соответствующими трубными соединениями и фитингами. Обеспечивает надежное уплотнение посредством эластомерного кольца (вид X), предотвращая утечки рабочей жидкости. Высокая точность изготовления гарантирует герметичность и долговечность соединения.
- Тип изделия: Прямой banjo штуцер
- Артикул: 101310.1
- Производитель: CAST
- Серия: L
- Стандарт трубного соединения: 24° DIN 2353
- Резьба (BSP): 3/4"
- Диаметр трубы (D1): 22 мм
- Рабочее давление (WP): 160 бар
- Тип уплотнения: Эластомерное кольцо (Вид X)
Данный фитинг поставляется в стандартном исполнении из углеродистой стали. Для применения в агрессивных средах и при повышенных требованиях к коррозионной стойкости, возможен заказ исполнений из нержавеющей стали. Для заказа фитинга из AISI 316 необходимо заменить первые две цифры артикула "10" на "11". При заказе фитинга из AISI 316 с гайкой из AISI 304, префикс артикула следует изменить с "10" на "14".