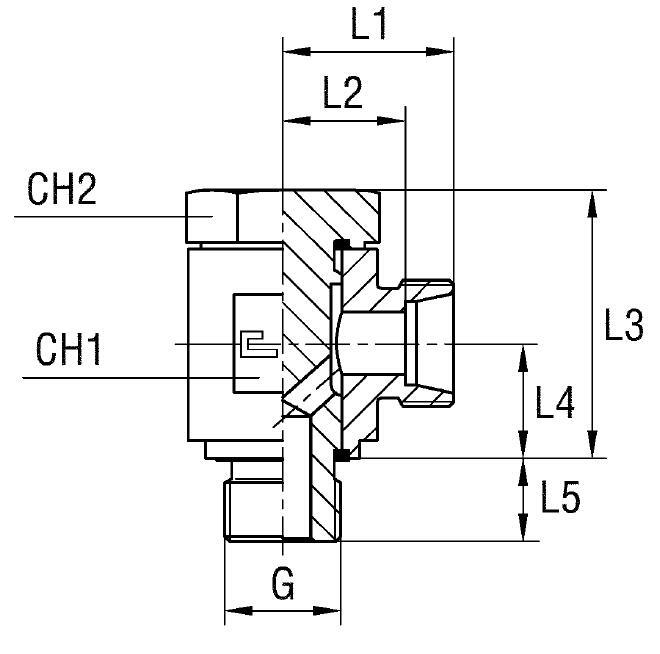
Прямой штуцер под кольцо JE DL15 BSP 1/2", артикул 101308.1 от Cast
Прямой штуцер под кольцо JE DL15 BSP 1/2". Соединения с врезным кольцом (DIN 2353). Ввертной штуцер BSP с уплотнением ED
Прямой штуцер banjo под уплотнительное кольцо, артикул 101308.1, предназначен для создания надежных герметичных соединений в гидравлических системах. Данное изделие от производителя CAST, серия L, обеспечивает компактное подключение в условиях как низкого, так и высокого давления (до 315 бар). Широко применяется в мобильной технике, станкостроении, а также в системах смазки и подачи технических жидкостей.
Конструктивно представляет собой полый болт с наружной резьбой BSP (1/2") и конусным присоединением 24° согласно стандарту DIN 2353. Специальная конструкция штуцера обеспечивает максимальную герметичность при взаимодействии с уплотнительным кольцом. Совместим с соответствующими трубными фитингами.
- Тип резьбы: BSP 1/2"
- Диаметр трубы (D1): 15 мм
- Рабочее давление (WP): 315 бар
- Серия: L
- Стандарт трубного соединения: 24° DIN 2353
- Тип уплотнения: X (резиновое)
- Угол исполнения: 90 град.
Изделие поставляется с резиновым уплотнительным кольцом (вид X). Для заказа фитингов из нержавеющей стали AISI 316, необходимо изменить префикс артикула с 10 на 11. При необходимости заказа фитинга из AISI 316 с гайкой из AISI 304, используйте префикс 14. Использование нержавеющих сталей обеспечивает повышенную коррозионную стойкость и возможность применения в агрессивных средах. Вариант с металлическим уплотнением (вид Y) доступен по запросу.