Прямой штуцер под кольцо JE DL12 M16x1.5, артикул 101407.1 от Cast
Прямой штуцер под кольцо JE DL12 M16x1.5. Соединения с врезным кольцом (DIN 2353). Ввертной штуцер Metric с уплотнением ED
Артикул 101407.1 – прямой фитинг типа JE, разработанный для создания надежных и герметичных гидравлических соединений в системах среднего и высокого давления. Изделие относится к L-серии (легкая серия) от производителя CAST, известного своим качеством и соответствием промышленным стандартам. Штуцер идеально подходит для применения в гидравлических линиях мобильной техники, станкостроения, систем смазки и топливоподачи, где требуется компактное и надежное трубное соединение.
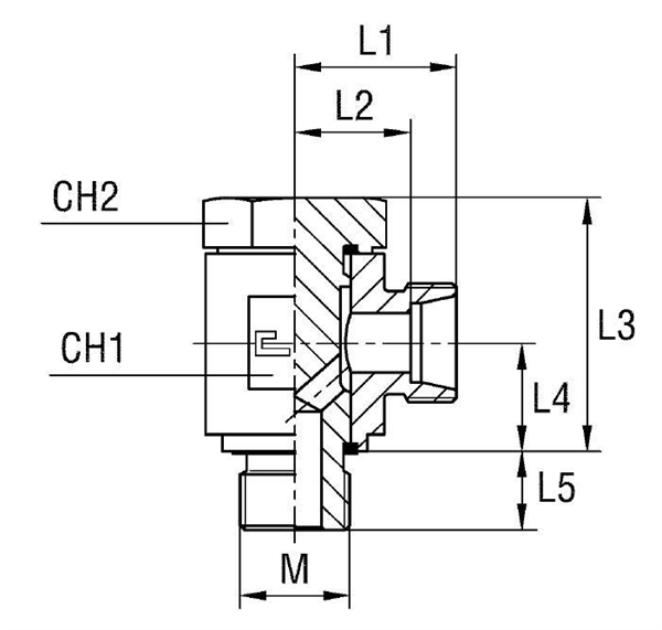
Конструктивно прямой штуцер представляет собой полый болт с наружной метрической резьбой M16x1.5 и посадочным местом под врезное кольцо. Изделие выполнено в соответствии со стандартом DIN 2353, что гарантирует его совместимость с метрическими трубками, имеющими конусность 24°. Такая конструкция обеспечивает высокую герметичность и устойчивость к вибрациям, предотвращая утечки рабочей жидкости.
- Рабочее давление (WP), бар: 315
- Диаметр трубы (D1), мм: 12
- Размер под ключ (CH2), мм: 24
- Размер под ключ (CH1), мм: 27
- Серия: L
- Стандарт трубного соединения: 24° DIN 2353
- Резьба (12): M16x1.5
Доступны исполнения из высококачественной нержавеющей стали AISI 316, обладающей исключительной коррозионной стойкостью, что делает данный фитинг CAST идеальным выбором для агрессивных сред и морского применения (артикул 11...). Также предлагается вариант из нержавеющей стали AISI 316 с гайкой из AISI 304 (артикул 14...). Для заказа конкретного материала необходимо использовать соответствующий префикс артикула.