Прямой штуцер под кольцо JE DL10 M14x1.5, артикул 101406.1 от Cast
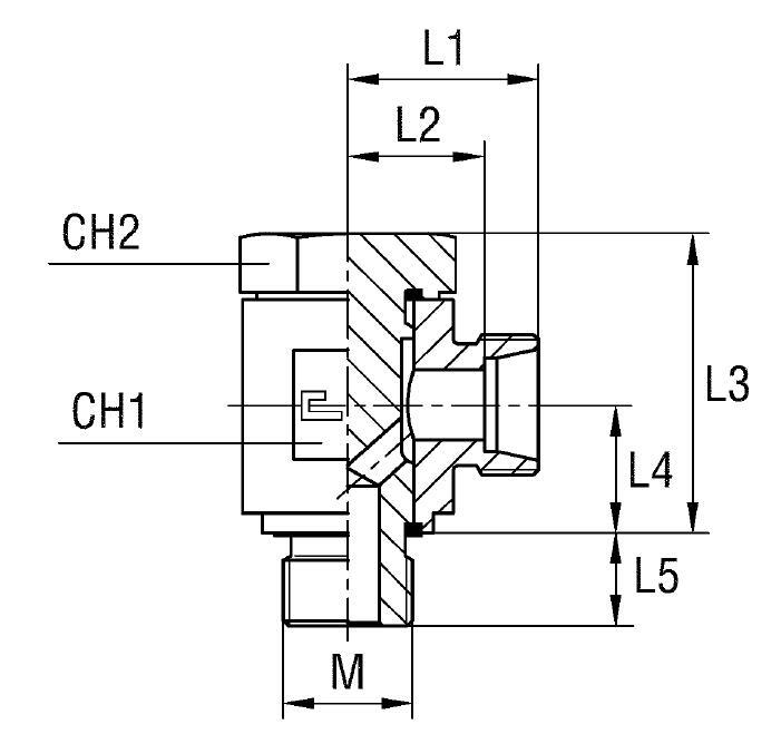
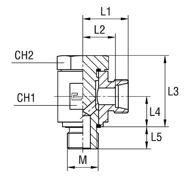
Прямой штуцер под кольцо JE DL10 M14x1.5. Соединения с врезным кольцом (DIN 2353). Ввертной штуцер Metric с уплотнением ED
Прямой штуцер типа JE DL, артикул 101406.1, от производителя CAST предназначен для формирования надежного и герметичного соединения в гидравлических системах. Данное изделие, относящееся к серии L, обеспечивает компактное подключение и широко применяется в условиях как стационарного, так и мобильного оборудования, включая станки, сельскохозяйственную и строительную технику, где требуется работа с гидравлическими жидкостями, смазочными материалами и топливом при стандартном и повышенном давлении.
Конструктивно штуцер выполнен в виде полого элемента, обеспечивающего эффективное трубное соединение. Он полностью соответствует стандарту DIN 2353 для конусных трубных соединений 24°, гарантируя максимальную совместимость и надежность при монтаже с соответствующими фитингами и трубами. Конструкция гарантирует создание герметичного уплотнения при затяжке.
- Рабочее давление (WP): 315 бар
- Диаметр трубы (D1): 10 мм
- Размер под ключ (CH2): 19 мм
- Резьба (G1): M14x1.5
- Серия: L (легкая)
- Стандарт трубного соединения: 24° DIN 2353
Штуцер изготавливается из высококачественной стали. Доступны исполнения из нержавеющей стали AISI 316 (для повышенной коррозионной стойкости, артикул начинается с 11...) и AISI 316 с гайкой из AISI 304 (артикул начинается с 14...). При заказе исполнения из нержавеющей стали необходимо использовать соответствующий префикс артикула. Фитинг CAST данного типа является оптимальным решением для агрессивных сред и условий с повышенными требованиями к долговечности.