Прямой штуцер под кольцо JE DL10 BSP 1/4", артикул 101306.1 от Cast
Прямой штуцер под кольцо JE DL10 BSP 1/4". Соединения с врезным кольцом (DIN 2353). Ввертной штуцер BSP с уплотнением ED
Представляем прямой штуцер banjo под кольцо JE DL10 BSP 1/4" (артикул 101306.1) от производителя CAST. Данное изделие предназначено для организации герметичных и компактных гидравлических соединений в системах среднего и высокого давления. Широко применяется в мобильной технике, промышленном оборудовании, а также в линиях смазки и топливных системах. Серия L обеспечивает повышенную прочность и надежность.
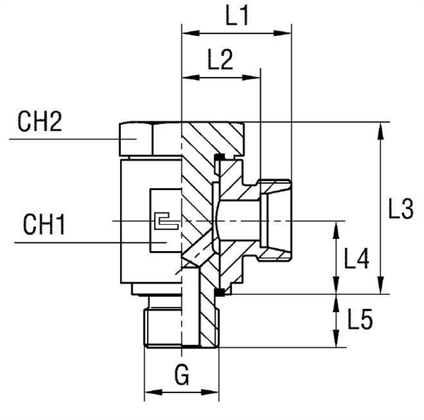
Конструкция штуцера выполнена в виде полого болта banjo, соответствующего стандарту DIN 2353 для трубных соединений с конусностью 24°. Обеспечивает надежное уплотнение при монтаже с использованием соответствующих уплотнительных колец. Отличительной особенностью данного типа является возможность вращения banjo-части для удобства подсоединения шланга.
- Тип присоединения: banjo
- Стандарт: DIN 2353 (24° конусность)
- Резьба: BSP 1/4"
- Диаметр трубы (D1): 10 мм
- Рабочее давление (WP): 315 бар
- Серия: L
- Размер под ключ (CH1/CH2): 22/19 мм
- Материал: Сталь (стандартное исполнение)
Стандартная комплектация включает штуцер banjo. При необходимости заказа фитинга из нержавеющей стали AISI 316, измените префикс артикула с 10.... на 11..... Для варианта с гайкой из нержавеющей стали AISI 304, используйте префикс 14..... Данные исполнения обеспечивают превосходную коррозионную стойкость для применения в агрессивных средах. Обращайтесь к нашим специалистам для подбора оптимального решения, включая фитинги CAST для ваших задач.