Прямой штуцер под кольцо JE DL08 M12x1.5, артикул 101405.1 от Cast
Прямой штуцер под кольцо JE DL08 M12x1.5. Соединения с врезным кольцом (DIN 2353). Ввертной штуцер Metric с уплотнением ED
Прямой штуцер JE DL08 M12x1.5 (артикул 101405.1) от производителя CAST предназначен для создания надежных и герметичных гидравлических соединений в системах среднего и высокого давления. Благодаря своей конструкции, он обеспечивает компактное подключение трубопроводов, широко применяясь в гидростатических приводах, системах смазки и топливоподачи на мобильной, станочной и промышленной технике.
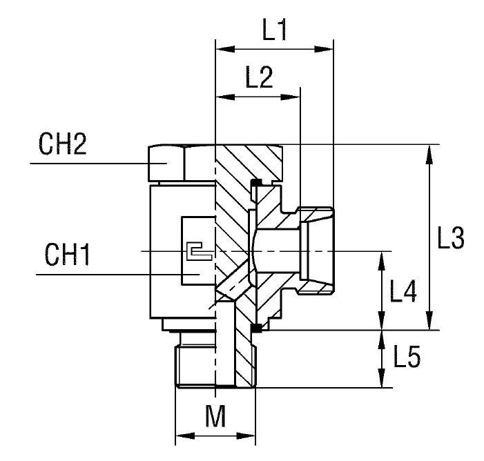
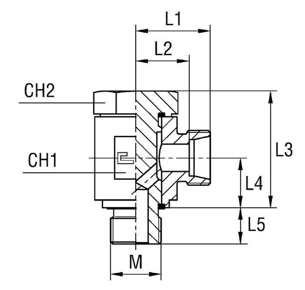
Данный фитинг представляет собой полый болт с наружной конической резьбой M12x1.5, разработанный в соответствии со стандартом DIN 2353 для соединений под углом 24°. Обеспечивает высокую надежность и герметичность при работе с гидравлическими маслами и другими рабочими жидкостями, совместим с цанговыми трубными соединениями соответствующего диаметра.
- Тип соединения: Прямой штуцер под врезное кольцо
- Стандарт: DIN 2353, конус 24°
- Размер резьбы: M12x1.5
- Диаметр трубы: 8 мм
- Рабочее давление (WP): 315 бар
- Серия: L (Light/Легкая)
- Размер под ключ (CH1/CH2): 22 мм / 19 мм
Стандартное исполнение штуцера выполнено из углеродистой стали с цинковым покрытием. Для эксплуатации в условиях повышенной влажности, агрессивных сред или при высоких требованиях к коррозионной стойкости доступны варианты из нержавеющей стали AISI 316 (артикул 11...). При необходимости заказа исполнения из нержавеющей стали, необходимо заменить префикс артикула. Фитинг поставляется без уплотнительных элементов, которые приобретаются отдельно.