Прямой штуцер под кольцо JE DL08 BSP 1/4", артикул 101305.1 от Cast
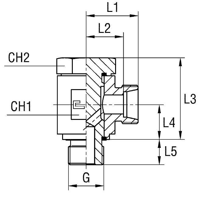
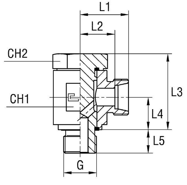
Прямой штуцер под кольцо JE DL08 BSP 1/4". Соединения с врезным кольцом (DIN 2353). Ввертной штуцер BSP с уплотнением ED
Прямой штуцер под уплотнительное кольцо, артикул 101305.1, производства CAST, предназначен для создания герметичных и компактных соединений в гидравлических системах. Данное изделие серии L находит широкое применение в мобильной технике, станкостроении и общепромышленных установках, работающих под стандартным и высоким давлением. Является оптимальным решением для подключения шлангов и трубопроводов, обеспечивая надежную фиксацию.
Конструкция штуцера предусматривает прямое исполнение с banjo-типом присоединения, соответствующее стандарту DIN 2353 для 24° конусных соединений. Обеспечивает надежное герметичное уплотнение с помощью специального кольца (вид X - резиновое уплотнение, вид Y - металлическое уплотнение), гарантируя отсутствие утечек рабочей жидкости. Этот тип фитинга разработан для интеграции с соответствующими трубными соединениями.
- Производитель: CAST
- Артикул: 101305.1
- Рабочее давление (WP): 315 бар
- Диаметр присоединяемой трубы (D1): 8 мм
- Резьба присоединения: BSP 1/4"
- Серия: L
- Стандарт трубного соединения: 24° DIN 2353
- Тип фитинга: Прямой штуцер под кольцо (JE)
- Исполнение уплотнения: X (резиновое)
В зависимости от условий эксплуатации, доступны исполнения из нержавеющей стали AISI 316 (артикул начинается на 11) или с гайкой из нержавеющей стали AISI 304 (артикул начинается на 14). Стандартные модели изготавливаются из углеродистой стали с цинковым покрытием. Данный фитинг CAST идеально подходит для систем, требующих повышенной коррозионной стойкости, обеспечивая долговечность и надежность трубного соединения.