Прямой штуцер под кольцо JE DL06 BSP 1/8", артикул 101304.1 от Cast
Прямой штуцер под кольцо JE DL06 BSP 1/8". Соединения с врезным кольцом (DIN 2353). Ввертной штуцер BSP с уплотнением ED
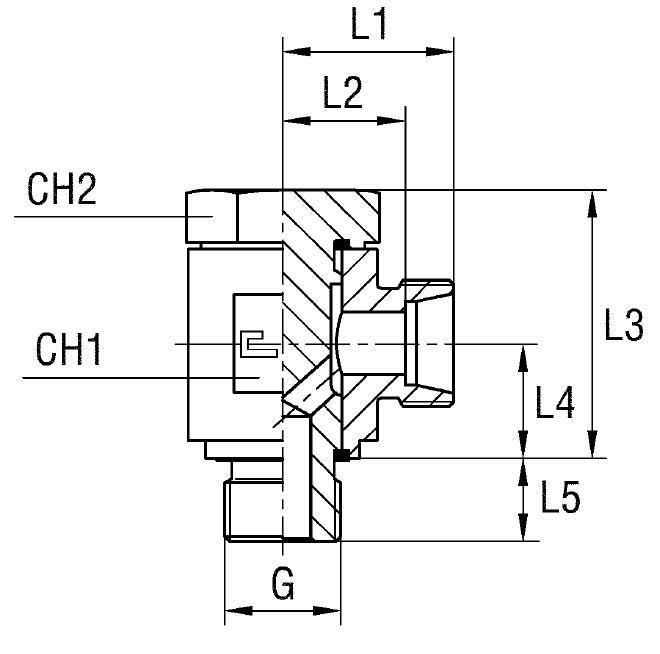
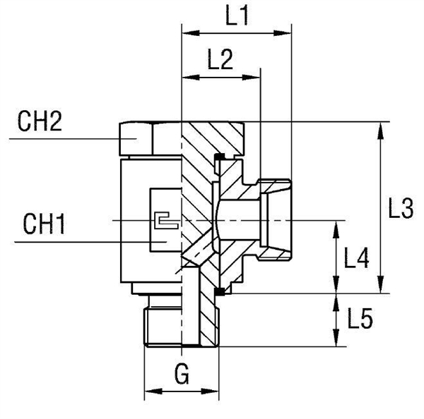
Артикул 101304.1 представляет собой прямой banjo-штуцер от производителя CAST, предназначенный для создания герметичных и компактных гидравлических соединений. Данный фитинг серии L, соответствующий стандарту DIN 2353, широко применяется в системах низкого и среднего давления, в том числе в гидравлических контурах мобильной техники, станкостроения, а также в линиях смазки и топливопроводов.
Конструкция штуцера выполнена в виде полого болта с наружной резьбой BSP, обеспечивающего надежное соединение посредством уплотнительного кольца. Штуцер спроектирован для работы с трубными соединениями под углом 24°, что гарантирует оптимальную герметичность и предотвращает утечки рабочей жидкости. Соответствие стандарту DIN 2353 подтверждает его совместимость с соответствующими фитингами и трубами.
- Тип фитинга: Прямой banjo-штуцер
- Производитель: CAST
- Серия: L
- Рабочее давление (WP): 315 бар
- Диаметр присоединяемой трубы (D1): 6 мм
- Резьба: BSP 1/8"
- Стандарт соединения: 24° DIN 2353
- Тип уплотнения: Резиновое (Вид X)
Для заказа фитингов из нержавеющей стали AISI 316, необходимо заменить префикс артикула 10 на 11. Вариант с корпусом из нержавеющей стали AISI 316 и гайкой из AISI 304 доступен при замене префикса 10 на 14. Особые исполнения предназначены для применения в условиях повышенной влажности или агрессивных сред, где требуется увеличенная коррозионная стойкость.