Прямой переходник BSP 3/8"(Ш) - M18x1.5(Ш) арт. 300710 от Cast
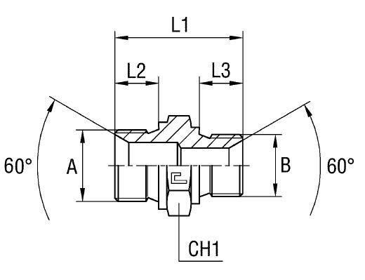
Прямой переходник BSP 3/8"(Ш) - M18x1.5(Ш). Соединения с уплотнением по конусу 60° (BSP). Переходной адаптер BSP - Metric
Данный фитинг CAST представляет собой прямой переходник с внутренней резьбой BSP 3/8" на наружную резьбу M18x1.5, артикул 300710. Он предназначен для создания герметичных соединений в гидравлических системах, эксплуатируемых под стандартным и высоким давлением. Универсальная серия от производителя CAST обеспечивает широкую применимость в мобильной технике, станкостроении, системах смазки и топливоподачи.
Конструктивно переходник выполнен в виде полого элемента, обеспечивающего прохождение рабочего тела. Соответствует стандарту соединений 60° BS-5200, гарантируя совместимость с соответствующими трубными фитингами и наконечниками, а также надежное уплотнение благодаря конусной посадке. Оптимизирован для использования в системах, где требуется компактное и надежное подключение гидравлических линий.
- Бренд: Cast
- Артикул: 300710
- Рабочее давление (WP): 400 бар
- Размер под ключ (CH1): 24 мм
- Серия: Универсальная
- Общая длина (L1): 36 мм
- Длина резьбы M18x1.5 (L2): 12 мм
- Стандарт трубного соединения: Соединения 60° BS-5200
- Длина прижимной части (L3): 12 мм
- Резьба M18x1.5 (B): M18x1.5
- Резьба BSP 3/8" (A): 3/8" (USIT)
Позиция доступна только в плановых заказах. Для обеспечения максимальной коррозионной стойкости и применения в агрессивных средах, доступны исполнения из нержавеющей стали (AISI 316) — для заказа необходимо изменить префикс артикула 30.... на 31.... Для гидравлических систем с использованием омедненных уплотнительных прокладок, нормы рабочего давления следует уточнять по соответствующим позициям (например, 3001...).