Прямой переходник BSP 3/8"(Ш) - M16x1.5(Ш) арт. 300709 от Cast
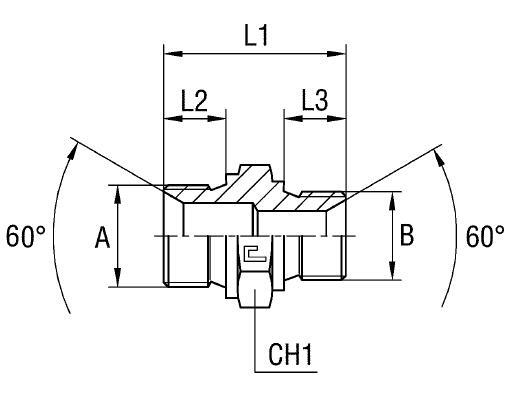
Прямой переходник BSP 3/8"(Ш) - M16x1.5(Ш). Соединения с уплотнением по конусу 60° (BSP). Переходной адаптер BSP - Metric
Данный фитинг CAST представляет собой прямой переходник с наружной резьбой BSP 3/8" на наружную резьбу M16x1.5. Артикул изделия: 300709. Предназначен для создания герметичных гидравлических соединений в системах среднего и высокого давления. Широко применяется в мобильной гидравлике, станкостроении и промышленном оборудовании, где требуется надежное подключение компонентов. Серия "Универсальная" обеспечивает совместимость с широким спектром приложений.
Конструкция переходника выполнена в виде полого корпуса, обеспечивающего беспрепятственный поток рабочей среды. Соединение с трубным контуром осуществляется согласно стандарту 60° BS-5200, что гарантирует высокую герметичность и устойчивость к вибрациям. Совместим с соответствующими трубными фитингами и метрическими резьбовыми элементами M16x1.5.
- Производитель: Cast
- Артикул: 300709
- Рабочее давление (WP): 400 бар
- Тип резьбы (A): BSP 3/8" (внутренняя)
- Тип резьбы (B): M16x1.5 (внутренняя)
- Размер под ключ (CH1): 22 мм
- Серия: Универсальная
- Стандарт трубного соединения: 60° BS-5200
- Длина (L1): 34,5 мм
- Длина (L2): 12 мм
- Длина (L3): 12 мм
Для заказа данного переходника из нержавеющей стали AISI 316, требуется заменить префикс артикула 30 на 31 (например, 310709). Изделия из нержавеющей стали поставляются по плановым заказам и предназначены для эксплуатации в агрессивных средах или при высоких требованиях к коррозионной стойкости. Для систем с омедненными уплотнительными прокладками и нормами давления, следует обратиться к информации по позициям с префиксом 3001.