Прямой переходник BSP 3/8"(Ш) - M12x1.5(Ш) арт. 300707 от Cast
Прямой переходник BSP 3/8"(Ш) - M12x1.5(Ш). Соединения с уплотнением по конусу 60° (BSP). Переходной адаптер BSP - Metric
Данный фитинг CAST представляет собой прямой переходник с внутренней резьбой BSP 3/8" на внутреннюю метрическую резьбу M12x1.5. Артикул 300707. Предназначен для создания герметичных гидравлических соединений в системах среднего и высокого давления. Серия "Универсальная" обеспечивает широкую применимость в станочном оборудовании, гидравлических приводах мобильной техники, а также в контурах смазки и топливных системах.
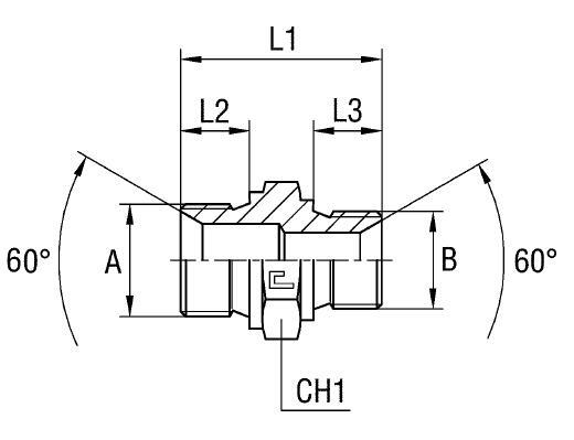
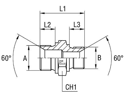
Конструктивно переходник выполнен в виде цельного корпуса с двумя внутренними резьбовыми портами. Соответствует стандарту соединений 60° BS-5200, обеспечивая надежное и герметичное трубное соединение при использовании соответствующих уплотнительных элементов. Такая конструкция гарантирует долговременную работоспособность и минимизирует риск утечек рабочей жидкости.
- Рабочее давление (WP): 400 бар
- Размер под ключ (CH1): 22 мм
- Длина (L1): 34,5 мм
- Длина (L2): 12 мм
- Длина (L3): 12 мм
- Резьба порта A: 3/8" BSP (внутренняя)
- Резьба порта B: M12x1.5 (внутренняя)
- Совместимость: Соединения 60° BS-5200
Для заказа исполнения из нержавеющей стали AISI 316, необходимо использовать артикул с префиксом "31" вместо "30". Данная позиция доступна для заказа только по плановым заявкам. Для систем, использующих уплотнения с омедненной прокладкой, следует обращаться к нормам давления для позиций с артикулом, начинающимся на "3001".