Прямой переходник BSP 3/4"(Ш) - M30x1.5(Ш) арт. 300724 от Cast
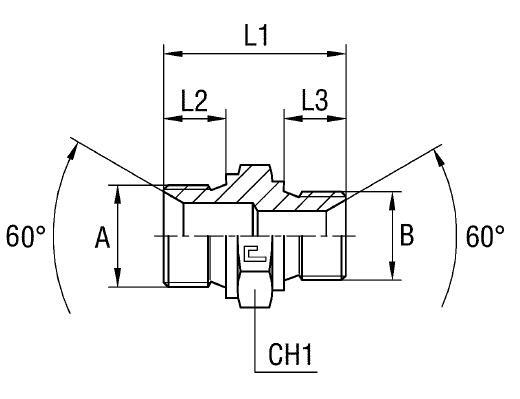
Прямой переходник BSP 3/4"(Ш) - M30x1.5(Ш). Соединения с уплотнением по конусу 60° (BSP). Переходной адаптер BSP - Metric
Прямой переходник CAST арт. 300724, разработанный для создания герметичных резьбовых соединений в гидравлических системах. Обеспечивает компактное подключение элементов под разными стандартами резьбы. Данный фитинг относится к универсальной серии и находит применение в системах низкого и стандартного давления, включая гидравлику мобильной техники, станкостроение и промышленные установки. Может использоваться для трубопроводов с различными рабочими средами.
Конструкция переходника представляет собой полый болт с наружной резьбой M30x1.5 на одном конце и внутренней резьбой BSP 3/4" на другом, обеспечивая надежное и герметичное соединение. Соответствует стандарту для трубных соединений 60° BS-5200, гарантируя совместимость с соответствующими фитингами и трубными наконечниками. Обеспечивает надежный стык при использовании с уплотнительными прокладками.
- Рабочее давление (WP): 250 бар
- Тип соединения: BSP 3/4" (внутр.) - M30x1.5 (наруж.)
- Стандарт трубного соединения: 60° BS-5200
- Размер под ключ (CH1): 36 мм
- Общая длина (L1): 48 мм
- Длина резьбы M30x1.5 (L2): 16 мм
- Длина резьбы BSP 3/4" (L3): 16 мм
- Резьба B: M30x1.5
- Резьба A (USIT): 3/4"
Данный фитинг CAST поставляется без уплотнительных прокладок. Для обеспечения максимальной коррозионной стойкости и применения в агрессивных средах, доступны исполнения из нержавеющей стали AISI 316. Для заказа изделий из нержавеющей стали необходимо изменить префикс артикула с 30 на 31 (310724). Позиция доступна только по плановым заказам. Для определения норм давления при использовании с омедненными прокладками, пожалуйста, обратитесь к соответствующим спецификациям по позициям серии 3001.