Прямой переходник BSP 1/4"(Ш) - M14x1.5(Ш) арт. 300705 от Cast
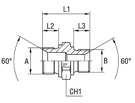
Прямой переходник BSP 1/4"(Ш) - M14x1.5(Ш). Соединения с уплотнением по конусу 60° (BSP). Переходной адаптер BSP - Metric
Данный фитинг CAST представляет собой прямой переходник (артикул 300705) производства Cast, предназначенный для создания герметичных соединений в гидравлических системах. Широко применяется в мобильной технике, станкостроении и других областях, требующих надежного подключения трубопроводов среднего и высокого давления. Универсальная серия обеспечивает гибкость применения.
Конструкция переходника выполнена в виде прямого фитинга с наружной резьбой BSP 1/4" и метрической наружной резьбой M14x1.5. Соответствует стандарту для трубных соединений 60° BS-5200, обеспечивая надежную посадку и герметизацию в сочетании с соответствующими трубными фитингами. Обеспечивает компактное подключение компонентов системы.
- Рабочее давление (WP): 400 бар
- Размер под ключ (CH1): 19 мм
- Длина (L1): 33 мм
- Длина (L2): 11 мм
- Стандарт трубного соединения: Соединения 60° BS-5200
- Длина (L3): 12 мм
- Резьба B: M14x1.5
- Резьба A (USIT): 1/4"
Для изготовления переходников из нержавеющей стали AISI 316, используйте артикулы с префиксом 31.... (вместо 30....). Данная позиция доступна по предварительному заказу. Для систем с применением омедненных уплотнительных прокладок, информация о допустимом давлении приведена для артикулов серии 3001...., что гарантирует оптимальный выбор для агрессивных сред и повышенных требований к коррозионной стойкости.