Прямой переходник BSP 1/2"(Ш) - M22x1.5(Ш) арт. 300716 от Cast
Прямой переходник BSP 1/2"(Ш) - M22x1.5(Ш). Соединения с уплотнением по конусу 60° (BSP). Переходной адаптер BSP - Metric
Представляем артикул 300716 — прямой переходник от бренда CAST, разработанный для создания надежных и герметичных гидравлических соединений. Это универсальное трубное соединение находит применение в системах среднего и высокого давления, обеспечивая компактное подключение в гидравлических контурах, системах смазки и других промышленных установках. Благодаря своей конструкции, данный фитинг идеально подходит для мобильной техники и стационарного оборудования.
Конструкция переходника обеспечивает надежное уплотнение согласно стандарту соединений 60° BS-5200, гарантируя превосходную герметичность при работе с минеральными маслами и другими гидравлическими жидкостями. Внутренняя резьба M22x1.5(Ш) и наружная резьба BSP 1/2" (USIT) обеспечивают простую и быструю интеграцию в существующие гидравлические системы, минимизируя риск протечек и снижая время монтажа.
- Рабочее давление (WP): 350 бар
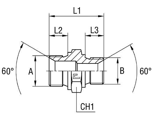
- Размер под ключ (CH1): 27 мм
- Серия: Универсальная
- Присоединение A: 1/2" (USIT)
- Присоединение B: M22x1.5 (Ш)
- Соответствие стандарту: Соединения 60° BS-5200
- Общая длина (L1): 41 мм
- Длина резьбы L2: 14 мм
- Длина резьбы L3: 14 мм
Данный фитинг CAST поставляется в стандартном исполнении из углеродистой стали. Для применения в агрессивных средах или условиях повышенной коррозии, доступна версия из нержавеющей стали AISI 316 путем изменения префикса артикула на 31..... Обратите внимание, что позиции из нержавеющей стали доступны только по плановым заказам. Для уточнения норм давления при использовании с уплотнительными системами с омедненной прокладкой, ознакомьтесь с документацией для позиций типа 3001....