Прямой переходник BSP 1/2"(Ш) - M20x1.5(Ш) арт. 300715 от Cast
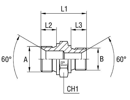
Прямой переходник BSP 1/2"(Ш) - M20x1.5(Ш). Соединения с уплотнением по конусу 60° (BSP). Переходной адаптер BSP - Metric
Представляем прямой переходник CAST (артикул 300715) — универсальный компонент, предназначенный для создания герметичных и компактных соединений в гидравлических системах. Этот фитинг CAST универсальной серии находит применение в широком спектре задач, от станков до мобильной техники, обеспечивая надежное подключение в условиях стандартного давления, а также в системах смазки и топливоподачи.
Конструкция данного переходника обеспечивает высокую надежность соединения благодаря точной геометрии резьбы и соответствию стандарту трубного соединения 60° BS-5200. Данный элемент является ключевым для формирования прочных и безотказных гидравлических трактов, где требуется переход между метрической и дюймовой резьбой.
- Артикул: 300715
- Рабочее давление (WP): 350 бар
- Размер под ключ 1 (CH1): 27 мм
- Стандарт трубного соединения: Соединения 60° BS-5200
- Размер A (USIT): 1/2"
- Размер B: M20x1.5
- Длина L1: 40,5 мм
- Длина L2: 14 мм
- Длина L3: 14 мм
Для заказа данного переходника из нержавеющей стали AISI 316 необходимо изменить префикс артикула с 30.... на 31..... Продукт доступен исключительно по плановым заказам. При использовании уплотнительных систем с омедненной прокладкой, уточняйте нормы давления по позициям серии 3001... для обеспечения оптимальной работы в агрессивных средах и при повышенных рабочих нагрузках.