Переходник под кольцо DS6 на M12x1.5 арт. 600614 от Cast
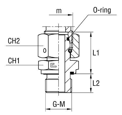
Переходник под кольцо DS6 на M12x1.5. Соединения с врезным кольцом (DIN 2353). Прямой ввертной адаптер Metric с уплотнением ED
Переходник CAST 600614 серии S предназначен для создания герметичного и надежного соединения гидравлических компонентов на трубах с внешним диаметром 6 мм. Этот элемент является частью системы трубных соединений 24° по стандарту DIN 2353, обеспечивая оптимальную совместимость и легкий монтаж. Идеально подходит для применения в гидравлических системах станков, мобильной техники, а также в системах смазки и топливоподачи, где требуется высокая надежность при стандартном и высоком давлении.
Данный переходник представляет собой компактный адаптер, позволяющий подключать компонент с метрической резьбой M12x1.5 к трубному соединению с конусностью 24° и резьбой M14x1.5. Конструкция обеспечивает плотную посадку и долговечную эксплуатацию. Соответствие стандартам DIN 2353 гарантирует взаимозаменяемость и высокое качество соединения, а также совместимость с широким спектром фитингов и труб.
- Артикул: 600614
- Рабочее давление (WP): 800 бар
- Диаметр трубы D1: 6 мм
- Резьба M: M12x1.5
- Резьба m D1: M14x1.5
- Размер под ключ CH1: 17 мм
- Размер под ключ CH2: 17 мм
- Длина L1: 27 мм
- Длина L2: 12 мм
- Серия: S (тяжелая серия)
- Стандарт трубного соединения: Соединения 24° DIN 2353
Стандартное исполнение переходника выполнено из высокопрочной стали. Для использования в агрессивных средах или условиях, требующих повышенной коррозионной стойкости, доступен вариант из нержавеющей стали AISI 316. При заказе изделия из нержавеющей стали, необходимо заменить первые две цифры артикула с "60..." на "61...", что гарантирует получение соответствующего исполнения. Комплектация, как правило, не включает уплотнительные шайбы, которые заказываются отдельно при необходимости.