Переходник под кольцо DS30 на M42x2 арт. 600622 от Cast
Переходник под кольцо DS30 на M42x2. Соединения с врезным кольцом (DIN 2353). Прямой ввертной адаптер Metric с уплотнением ED
Представляем переходник CAST артикул 600622 – специализированный фитинг серии S, предназначенный для создания надежного герметичного соединения в гидравлических системах. Этот элемент обеспечивает эффективное подключение трубных соединений, что делает его идеальным решением для стационарного и мобильного оборудования, где требуется адаптация размеров компонентов при монтаже. Применяется в гидравлических контурах со стандартным и высоким рабочим давлением, в системах смазки, подачи топлива и других промышленных жидкостей.
Конструктивно переходник представляет собой цельнофрезерованный элемент, обеспечивающий высокопрочное и виброустойчивое трубное соединение. Изделие соответствует стандарту DIN 2353, что гарантирует совместимость с широким спектром гидравлических компонентов на 24-градусном конусе. За счет точной геометрии обеспечивается оптимальная герметичность и долговечность соединения даже при переменных нагрузках.
- Артикул: 600622
- Бренд: CAST
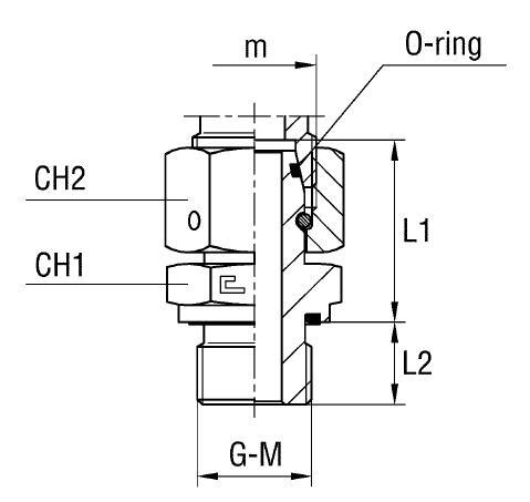
- Рабочее давление (WP): 420 бар
- Диаметр трубы: 30 мм
- Резьба M: M42x2
- Резьба m D1: M42x2
- Длина L1: 51 мм
- Длина L2: 20 мм
- Размер под ключ CH1/CH2: 50 мм
- Стандарт трубного соединения: 24° DIN 2353
Стандартное исполнение фитинга CAST выполнено из высококачественной стали. Для применения в агрессивных средах или условиях, требующих повышенной коррозионной стойкости, доступна версия из нержавеющей стали AISI 316. Для заказа изделия из нержавеющей стали необходимо заменить первые две цифры артикула с "60..." на "61...". Переходник поставляется без уплотнительных колец и врезных колец, что позволяет монтировать его с компонентами, соответствующими конкретным условиям эксплуатации.