Переходник под кольцо DS20 на M27x2 арт. 600620 от Cast
Переходник под кольцо DS20 на M27x2. Соединения с врезным кольцом (DIN 2353). Прямой ввертной адаптер Metric с уплотнением ED
Данный переходник, артикул 600620 от производителя CAST, предназначен для создания герметичного соединения в гидравлических системах. Изделие обеспечивает надежное подключение элементов с метрической резьбой M27x2 к стандартным трубным соединениям диаметром 20 мм. Основные области применения включают системы со стандартным и высоким давлением, мобильную технику, промышленное оборудование и станки, работающие с гидравлическими жидкостями и маслами.
Конструктивно переходник представляет собой элемент, обеспечивающий сопряжение с трубными соединениями серии S (Standard) согласно стандарту DIN 2353. Он адаптирован для использования с кольцом DS20, что гарантирует стабильность и герметичность соединения. Этот фитинг CAST позволяет интегрировать компоненты с различными типами резьбовых и трубных подключений, обеспечивая универсальность и надежность сборки.
- Артикул: 600620
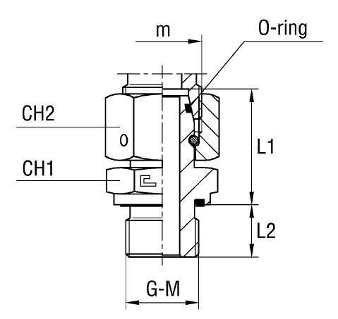
- Рабочее давление (WP): 420 бар
- Диаметр подключаемой трубы D1: 20 мм
- Резьба M: M27x2
- Резьба m D1: M30x2
- Размер под ключ CH1: 32 мм
- Размер под ключ CH2: 36 мм
- Длина L1: 43 мм
- Длина L2: 16 мм
- Серия: S (Стандартная)
- Стандарт трубного соединения: Соединения 24° DIN 2353
Для заказа данного переходника из нержавеющей стали AISI 316, обладающей повышенной коррозионной стойкостью и пригодной для агрессивных сред, необходимо заменить префикс артикула с "60" на "61" (например, 610620). Это позволяет использовать изделие в условиях, где требуется устойчивость к окислению или контакт с агрессивными веществами, характерными для пищевой, химической или морской промышленности.