Переходник под кольцо DS20 M27x2 в сборе арт. 100620 от Cast
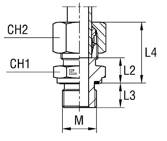
Переходник под кольцо DS20 M27x2 в сборе. Соединения с врезным кольцом (DIN 2353). Прямой ввертной адаптер Metric с уплотнением ED
Переходник под кольцо, артикул 100620, предназначен для создания надежного и герметичного соединения в гидравлических системах. Этот фитинг CAST серии S используется для подключения труб с резьбой M27x2 к системам с трубным соединением диаметром 20 мм. Применяется в станках, мобильной технике и других гидравлических системах, работающих при стандартном давлении до 420 бар.
Конструкция переходника обеспечивает надежное трубное соединение благодаря соответствию стандарту DIN 2353 (соединения 24°). Он предназначен для работы с конусными соединениями и обеспечивает герметичность даже в условиях высоких вибраций и давлений. Фитинг обеспечивает простоту монтажа и демонтажа, а также долгий срок службы.
- Артикул: 100620
- Производитель: CAST
- Рабочее давление (WP): 420 бар
- Диаметр трубы (D1): 20 мм
- Резьба (M): M27x2
- Серия: S
- Стандарт: Соединения 24° DIN 2353
Переходник поставляется в сборе. Материал изготовления - сталь. Для заказа фитинга из нержавеющей стали AISI 316 необходимо заменить префикс артикула с 10 на 11. Для заказа из нержавеющей стали AISI 316 с гайкой из нержавеющей стали AISI 304 замените префикс артикула с 10 на 14. Нержавеющее исполнение рекомендуется для использования в коррозионно-активных средах.