Переходник под кольцо DS20 M27x2 (корпус) арт. 100620.1 от Cast
Переходник под кольцо DS20 M27x2 (корпус). Соединения с врезным кольцом (DIN 2353). Прямой ввертной адаптер Metric с уплотнением ED
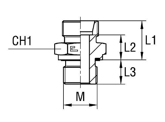
Корпус переходника CAST, артикул 100620.1, предназначен для создания надежного и герметичного трубного соединения в гидравлических системах высокого давления. Данный адаптер относится к тяжёлой серии S, что позволяет использовать его при номинальном рабочем давлении до 420 бар. Основное назначение – интеграция трубопроводов с метрической резьбой в сложные гидравлические контуры, включая стационарные промышленные установки, строительную и мобильную технику.
Конструктивно данный адаптер является базовым элементом (корпусом) для фитингов с врезным кольцом. Соединение соответствует стандарту 24° конуса согласно DIN 2353 (ISO 8434-1). Такой тип конструкции обеспечивает исключительную вибростойкость и необходимую надежность при динамических нагрузках. Адаптер совместим со стандартными врезными кольцами DS20 и соответствующими накидными гайками для труб диаметром 20 мм.
- Рабочее давление (WP): 420 бар
- Совместимый диаметр трубы (D1): 20 мм
- Метрическая резьба: M27x2
- Серия: S (Тяжелая)
- Стандарт присоединения: DIN 2353 (24° конус)
Стандартное исполнение выполнено из высокопрочной стали. Для обеспечения полной коррозионной стойкости и применения в химически агрессивной среде, таких как морская или пищевая промышленность, корпус может быть изготовлен из нержавеющей стали AISI 316. Для заказа этой модификации необходимо сменить префикс артикула 10... на 11.... Использование оригинальных фитингов CAST гарантирует полную совместимость всех элементов трубопровода и долговечность гидравлической системы.