Переходник под кольцо DS14 M20x1.5 (корпус) арт. 100618.1 от Cast
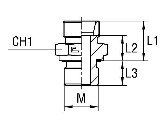
Переходник под кольцо DS14 M20x1.5 (корпус). Соединения с врезным кольцом (DIN 2353). Прямой ввертной адаптер Metric с уплотнением ED
Данный элемент, артикул 100618.1, представляет собой корпус переходника (Body) тяжелой серии S от производителя CAST. Основное назначение изделия — обеспечение герметичного и надежного соединения метрической резьбы (M20x1.5) с жестким трубным контуром. Благодаря высокой номинальной прочности, он идеально подходит для гидравлических систем, работающих под высоким давлением (до 630 бар). Применяется преимущественно в тяжелой мобильной технике, прессовом оборудовании, а также в промышленных и станочных гидравлических установках.
Конструкция формирует уплотнительный конус 24°, что соответствует общепринятому стандарту DIN 2353 / ISO 8434-1. Это гарантирует максимальную надежность и совместимость в системах высокого давления. Корпус предназначен для создания неразъемного трубного соединения с внешним диаметром трубы 14 мм при использовании врезного кольца (DS) и накидной гайки (обе детали приобретаются отдельно). Переходник обеспечивает высокую виброустойчивость и устойчивость к динамическим пиковым нагрузкам.
- Рабочее давление (WP): 630 бар (тяжелая серия S)
- Резьба подключения: М20х1.5
- Диаметр присоединяемой трубы: 14 мм
- Стандарт исполнения: DIN 2353 (Соединение 24°)
- Размер под ключ (CH): 27 мм
Стандартное исполнение фитинг CAST выполнено из высококачественной углеродистой стали с защитным покрытием. Для работы в условиях повышенной влажности, химически агрессивных сред или морского климата, доступны специальные исполнения из нержавеющей стали AISI 316. Чтобы заказать полностью нержавеющий переходник, необходимо изменить первые две цифры артикула с 10.... на 11..... Также предлагается вариант 14...., где корпус выполнен из AISI 316, а накидная гайка — из AISI 304.