Переходник под кольцо DL35 M42x2 (корпус) арт. 100612.1 от Cast
Переходник под кольцо DL35 M42x2 (корпус). Соединения с врезным кольцом (DIN 2353). Прямой ввертной адаптер Metric с уплотнением ED
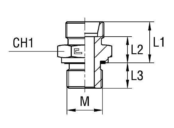
Представленный элемент, фитинг CAST (артикул 100612.1), является корпусом прямого адаптера, предназначенного для создания герметичного и разборного трубного соединения по стандарту DIN 2353. Этот переходник легкой серии (L) рассчитан на номинальное рабочее давление до 250 бар. Основное назначение – надежное и компактное подключение стальных гидравлических труб диаметром 35 мм в технологических линиях, гидравлических системах станков, а также в мобильной спецтехнике, работающей со стандартными и умеренными нагрузками.
Конструктивно данный переходник представляет собой адаптер с наружной метрической резьбой M42x2 для прямого вкручивания в порты гидравлических блоков или оборудования. Корпус обеспечивает точную геометрию для формирования надежного соединения по принципу 24° конуса, строго соответствуя европейским стандартам DIN 2353 (ISO 8434-1). Для завершения сборки требуется использование врезного кольца и накидной гайки, которые гарантируют прочное и виброустойчивое трубное соединение.
- Артикул производителя: 100612.1
- Рабочее давление (WP): 250 бар
- Типоразмер трубы D1: 35 мм
- Присоединительная резьба M: M42x2 (метрическая)
- Серия: Легкая (L)
- Стандарт соединения: 24° конус по DIN 2353
- Размер под ключ (CH1/CH2): 50 мм
Стандартное исполнение изготовлено из высококачественной углеродистой стали с защитным покрытием. Для специальных условий эксплуатации, где требуется повышенная коррозионная стойкость (например, в химической или морской отрасли), доступны варианты из нержавеющей стали AISI 316. Заказчику необходимо использовать артикулы с префиксом 11.... для получения корпуса полностью из AISI 316, или 14...., если требуется корпус из AISI 316 в комплекте с гайкой из AISI 304.