Переходник под кольцо DL22 M26x1.5 (корпус) арт. 100610.1 от Cast
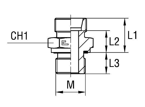
Переходник под кольцо DL22 M26x1.5 (корпус). Соединения с врезным кольцом (DIN 2353). Прямой ввертной адаптер Metric с уплотнением ED
Гидравлический адаптер (корпус) с артикулом 100610.1 предназначен для создания надежного и герметичного углового или прямого подключения в трубопроводах среднего давления. Изделие разработано и произведено компанией CAST (Италия) и относится к легкой серии (L). Основное назначение – формирование 24° конусного трубного соединения по стандарту DIN 2353 для труб с внешним диаметром 22 мм. Применяется в станочном оборудовании, системах смазки и гидравлике сельскохозяйственной и строительной техники, где требуется рабочий предел до 250 бар.
Конструктивно данный компонент является корпусом переходника, требующим комплектации врезным кольцом (DL/LL) и накидной гайкой для создания полноценного узла. Соединение соответствует международному стандарту DIN 2353 (ISO 8434-1) с углом конусности 24°. Внутренняя метрическая резьба M26x1.5 обеспечивает жесткое крепление к основному агрегату или панели. Высокая точность обработки посадочного места гарантирует максимальную герметичность и устойчивость к вибрационным нагрузкам.
- Рабочее давление (WP): 250 бар (PN 250)
- Номинальный диаметр трубы (D1): 22 мм
- Присоединительная резьба: M26x1.5 (метрическая)
- Серия исполнения: L (Легкая серия)
- Размер под ключ CH1 / CH2: 32 / 36 мм
- Стандарт соединения: Конус 24° (DIN 2353)
Стандартное исполнение фитинга CAST (артикул 100610.1) выполнено из углеродистой стали с антикоррозионным покрытием. Для работы в агрессивных и высококоррозионных средах доступны исполнения из нержавеющей стали AISI 316 (для заказа необходимо заменить префикс 10 на 11 в артикуле). При заказе комплектующих необходимо учитывать, что данный артикул поставляется как корпус (body) и требует дополнительной комплектации соответствующим врезным кольцом и накидной гайкой для обеспечения заявленного рабочего давления.