Переходник под кольцо DL22 M22x1.5 (корпус) арт. 100635.1 от Cast
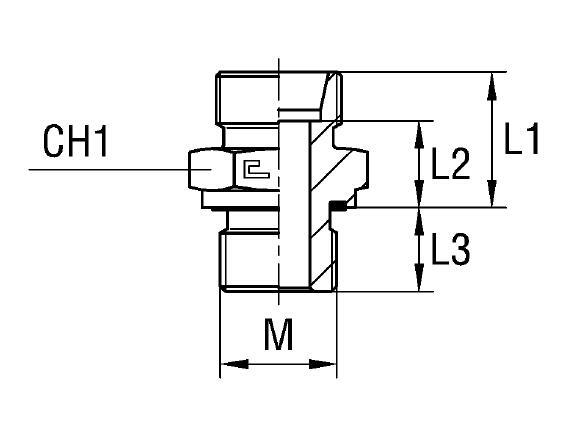
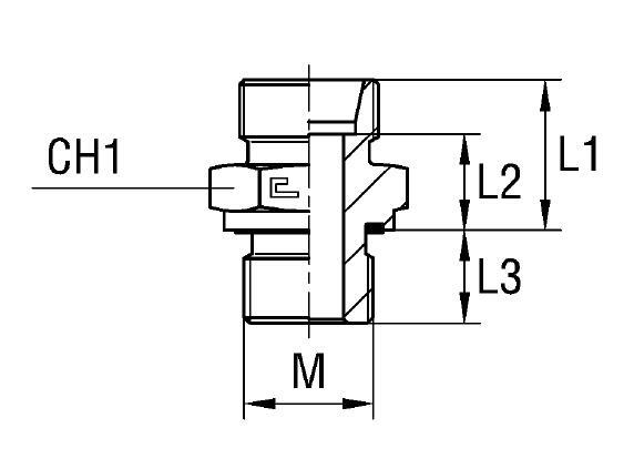
Переходник под кольцо DL22 M22x1.5 (корпус). Соединения с врезным кольцом (DIN 2353). Прямой ввертной адаптер Metric с уплотнением ED
Прямой адаптер типа DL (корпус) с артикулом 100635.1 производства CAST предназначен для формирования герметичного и жесткого трубного соединения в гидравлических магистралях. Данный компонент обеспечивает надежное подключение трубопроводов с номинальным наружным диаметром 22 мм. Используется в широком спектре приложений: от станков и промышленного оборудования до мобильной спецтехники, работающей при стандартном и пониженном давлении.
Конструктивно представляет собой корпус адаптера, предназначенный для работы с режущими (обжимными) кольцами и накидными гайками. Соответствует европейскому стандарту DIN 2353 (ISO 8434-1), обеспечивая 24-градусный конус для высокой герметичности. Данный переходник относится к легкой серии (L), что определяет его габариты и максимально допустимое рабочее давление.
- Рабочее давление (WP): 250 бар
- Номинальный диаметр трубы (D1): 22 мм
- Присоединительная резьба (M): M22x1.5
- Серия/Исполнение: L (Легкая серия, согласно DIN 2353)
- Размер под ключ CH1 / CH2: 32 мм / 36 мм
Стандартный корпус поставляется из высокопрочной оцинкованной стали. Для полной организации надежного трубного соединения необходимы соответствующие накидная гайка и обжимное кольцо (в комплект поставки артикула 100635.1 они не входят). Для обеспечения повышенной коррозионной стойкости и эксплуатации в агрессивных средах (например, пищевая промышленность или морские установки) доступно исполнение из нержавеющей стали AISI 316 (префикс 11....) или комбинированное исполнение (префикс 14....).