Переходник под кольцо DL18 M22x1.5 в сборе арт. 100609 от Cast
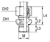
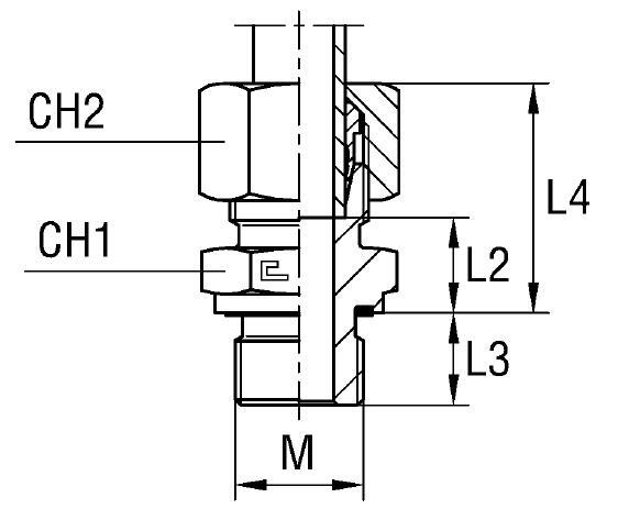
Переходник под кольцо DL18 M22x1.5 в сборе. Соединения с врезным кольцом (DIN 2353). Прямой ввертной адаптер Metric с уплотнением ED
Адаптер 100609 производства фитингов CAST предназначен для создания высоконадежного, разборного трубного соединения в гидравлических системах среднего и легкого давления. Этот прямой переходник обеспечивает герметичное подключение трубопроводов в таких областях, как станкостроение, промышленное оборудование и мобильная техника. Изделие соответствует легкой серии (L) и оптимально для работы с минеральными маслами, негорючими жидкостями и топливом.
Данный фитинг представляет собой готовый к монтажу элемент трубного соединения, соответствующий международному стандарту DIN 2353 (ISO 8434-1). Конструкция включает корпус с метрической резьбой М22х1.5, накидную гайку и врезное кольцо (DL18). Соединение гарантирует прочную фиксацию метрической трубы внешним диаметром 18 мм, формируя надежную конусность 24° с высокой устойчивостью к вибрационным и импульсным нагрузкам.
- Артикул CAST: 100609 (Серия L)
- Максимальное рабочее давление (WP): 400 бар
- Диаметр присоединяемой трубы (D1): 18 мм
- Присоединительная резьба (М): М22х1.5
- Стандарт соединения: DIN 2353 (Конус 24°)
Стандартное исполнение (артикул 10....) изготовлено из высокопрочной стали с антикоррозионным покрытием. Для применения в условиях повышенной влажности или агрессивных сред доступна опция из нержавеющей стали AISI 316. При заказе необходимо изменить префикс артикула на 11.... (полностью AISI 316) или 14.... (корпус AISI 316, гайка AISI 304), что обеспечивает максимальную коррозионную стойкость.