Переходник под кольцо DL18 M18x1.5 в сборе арт. 100634 от Cast
Переходник под кольцо DL18 M18x1.5 в сборе. Соединения с врезным кольцом (DIN 2353). Прямой ввертной адаптер Metric с уплотнением ED
Данное изделие — прямой переходник под кольцо (артикул 100634) от ведущего европейского производителя фитинг CAST. Предназначен для обеспечения компактного, надежного и герметичного подключения метрической трубы к порту или блоку управления. Применяется в гидравлических линиях низкого и среднего давления (серия L). Основные сферы использования охватывают станкостроение, промышленное оборудование, системы смазки и мобильную технику, где требуется быстрая, но долговечная сборка.
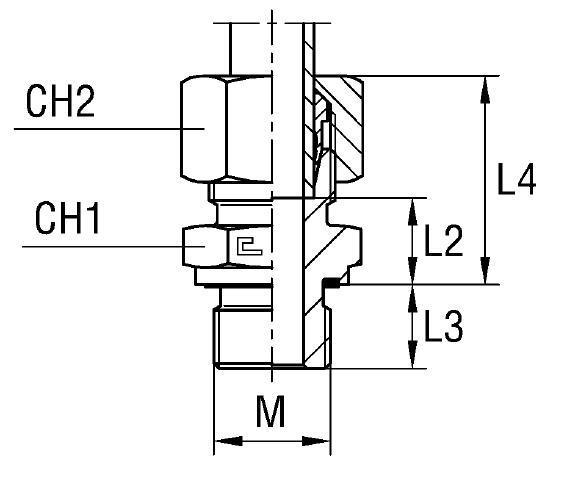
Конструктивно фитинг представляет собой штуцер с наружной резьбой M18x1.5 и посадочным конусом 24°, полностью соответствующим стандарту DIN 2353. Исполнение «в сборе» включает предварительно установленные накидную гайку и высокоэффективное врезное кольцо для трубы Ø18 мм, что гарантирует точное формирование надежного трубного соединения и снижает риск ошибок при монтаже. Соединение обеспечивает высокую устойчивость к вибрационным и пульсирующим нагрузкам.
- Рабочее давление (WP): 400 бар
- Диаметр присоединяемой трубы (D1): 18 мм
- Типоразмер резьбы (М): M18x1.5
- Стандарт соединения: DIN 2353 (конус 24°)
- Серия: L (Легкая серия)
Стандартное исполнение выполнено из высокопрочной углеродистой стали с антикоррозийным покрытием. Для специальных условий, требующих повышенной химической или коррозионной стойкости, доступны модификации: при замене префикса артикула на 11.... заказывается исполнение из нержавеющей стали AISI 316. Вариант 14.... предоставляет штуцер из AISI 316 с гайкой из AISI 304, оптимизируя затраты при сохранении ключевой защиты от агрессивных сред.