Переходник под кольцо DL12 M22x1.5 в сборе арт. 100631 от Cast
Переходник под кольцо DL12 M22x1.5 в сборе. Соединения с врезным кольцом (DIN 2353). Прямой ввертной адаптер Metric с уплотнением ED
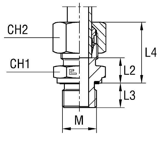
Данный переходник-адаптер (артикул 100631) предназначен для создания надежного и герметичного трубного соединения в гидравлических системах. Изделие от производителя CAST, относящееся к легкой серии (L), обеспечивает переход с внешней метрической резьбы M22x1.5 на конусное соединение 24° для трубы диаметром 12 мм. Он оптимален для применения в промышленных станках, сельскохозяйственной и строительной технике, работающей под стандартным или умеренно высоким рабочим давлением до 400 бар.
Конструктивно фитинг представляет собой адаптер (муфту) с внешней метрической резьбой и посадочным местом под конус 24°. Данное трубное соединение полностью соответствует международному стандарту DIN 2353 (ISO 8434-1), гарантируя полную совместимость с большинством стандартных врезных колец (DL) и накидных гаек. Конструкция "в сборе" включает корпус, врезное кольцо и накидную гайку, что обеспечивает быструю и надежную опрессовку трубы.
- Рабочее давление (WP): 400 бар
- Диаметр присоединяемой трубы (D1): 12 мм
- Присоединительная резьба (M): M22x1.5
- Серия: L (Легкая)
- Стандарт трубного соединения: DIN 2353 / ISO 8434-1 (24° конус)
- Материал исполнения: Углеродистая сталь с антикоррозийным покрытием (по умолчанию)
Стандартное исполнение (арт. 100631) выполнено из углеродистой стали. Для эксплуатации в агрессивных или высококоррозионных средах доступны варианты из нержавеющей стали AISI 316 (для заказа замените префикс 10.... на 11....). Также существует комбинированный вариант (префикс 14....), где корпус переходника выполнен из AISI 316, а накидная гайка из AISI 304. При заказе необходимо уточнять артикул, чтобы получить требуемый фитинг CAST для специальных условий эксплуатации.