Переходник под кольцо DL12 M18x1.5 в сборе арт. 100630 от Cast
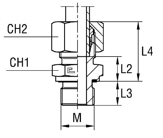
Переходник под кольцо DL12 M18x1.5 в сборе. Соединения с врезным кольцом (DIN 2353). Прямой ввертной адаптер Metric с уплотнением ED
Данный элемент представляет собой высококачественный гидравлический переходник (адаптер) CAST с артикулом 100630, предназначенный для создания надежного и герметичного трубного соединения. Изделие относится к легкой серии (L) и рассчитано на рабочее давление до 400 бар. Основное назначение — подключение стандартных метрических труб диаметром 12 мм к порту с внутренней резьбой M18x1.5. Широко применяется в машиностроении, станочном оборудовании и в промышленных гидравлических линиях среднего давления.
Конструкция DL (сборный адаптер) полностью соответствует требованиям международного стандарта DIN 2353 (ISO 8434-1), гарантируя совместимость с компонентами, использующими конусность 24°. Переходник поставляется в комплекте (в сборе) с установленным врезным кольцом и накидной гайкой, что существенно упрощает процесс монтажа и обеспечивает высокую виброустойчивость, характерную для оригинальных фитингов CAST.
- Рабочее давление (WP): 400 бар
- Тип резьбы порта: Метрическая M18x1.5
- Совместимый диаметр трубы (D1): 12 мм
- Стандарт соединения: 24° DIN 2353 (Легкая серия L)
Стандартное исполнение корпуса и гайки выполнено из углеродистой стали с цинковым покрытием для базовой защиты от коррозии. Для эксплуатации в агрессивных и коррозионно-активных средах предусмотрена возможность заказа исполнения из нержавеющей стали AISI 316 (замена префикса артикула 10.... на 11....) или комбинированных вариантов с гайкой из AISI 304 (артикул 14....). Это обеспечивает возможность применения адаптера в пищевой, химической и морской промышленности.