Переходник под кольцо DL12 M16x1.5 в сборе арт. 100607 от Cast
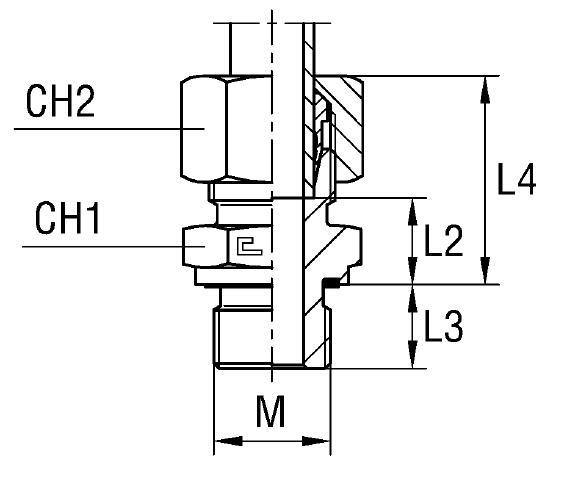
Переходник под кольцо DL12 M16x1.5 в сборе. Соединения с врезным кольцом (DIN 2353). Прямой ввертной адаптер Metric с уплотнением ED
Данный переходник CAST (артикул 100607) представляет собой высоконадежный трубный адаптер, предназначенный для создания герметичного, разъемного и компактного подключения в гидравлических магистралях. Изделие разработано для работы в системах легкой серии (L) с внешним диаметром трубы 12 мм. Фитинг поддерживает максимальное рабочее давление до 400 бар, что позволяет применять его в гидравлике стационарных промышленных установок, а также в мобильной технике, где требуется стабильность при высоком давлении и частых вибрационных нагрузках.
Конструктивно фитинг выполнен как прямой штуцер с наружной метрической резьбой M16x1.5 и включает в себя гайку и врезное кольцо для обеспечения механического и гидравлического уплотнения. Соединение соответствует международному стандарту DIN 2353 (24° конусность). Это обеспечивает надежную фиксацию и высокую герметичность трубного соединения без необходимости применения сварки. Размеры под ключ CH1 и CH2 составляют 22 мм, что упрощает монтаж и обслуживание в стесненных условиях.
- Рабочее давление (WP): 400 бар
- Размер резьбы M: M16x1.5
- Диаметр присоединяемой трубы D1: 12 мм
- Серия давления: L (Легкая)
- Стандарт: Соединения 24° DIN 2353
Стандартное исполнение поставляется из высокопрочной оцинкованной стали. Для сред с повышенной коррозионной активностью или контакта с агрессивными рабочими жидкостями доступно исполнение из нержавеющей стали AISI 316. Заказ модификации из нержавеющей стали требует замены префикса артикула 10.... на 11.... (полностью AISI 316) или 14.... (корпус AISI 316, гайка AISI 304), что позволяет оптимизировать затраты при сохранении ключевых антикоррозийных свойств.