Переходник под кольцо DL10 M16x1.5 в сборе арт. 100626 от Cast
Переходник под кольцо DL10 M16x1.5 в сборе. Соединения с врезным кольцом (DIN 2353). Прямой ввертной адаптер Metric с уплотнением ED
Прямой переходной фитинг CAST (артикул 100626) предназначен для создания надежного и герметичного трубного соединения с метрическим портом. Изделие разработано для использования в гидравлических системах низкого и стандартного давления (легкая серия L). Основное назначение – интеграция бессварных трубных соединений с внешним диаметром D1=10 мм в компоненты с резьбовым отверстием M16x1.5. Производитель – CAST, Италия. Широко применяется в машиностроении, станочном оборудовании и мобильной технике, где требуется быстрая и безотказная установка.
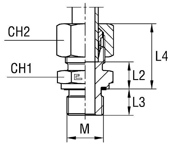
Данный переходник представляет собой штуцер с наружной метрической резьбой и посадочным конусом 24°. Конструкция соответствует международному стандарту DIN 2353 (ISO 8434-1), что гарантирует полную совместимость с обжимными кольцами и накидными гайками других производителей. Фитинг поставляется в сборе (комплектация DL), что упрощает монтаж и обеспечивает высокую точность соединения, рассчитанного на рабочее давление до 400 бар.
- Рабочее давление (WP): 400 бар
- Резьба подключения (Метрическая): M16x1.5
- Совместимый диаметр трубы (D1): 10 мм
- Серия исполнения: L (Легкая)
- Стандарт трубного соединения: DIN 2353 / ISO 8434-1 (конус 24°)
- Размер под ключ (CH1 / CH2): 22 мм / 19 мм
Стандартное исполнение фитинга выполнено из высококачественной оцинкованной стали (артикулы серии 10....). Для сред с повышенными требованиями к коррозионной стойкости, например, в химической промышленности или морской гидравлике, доступны исполнения из нержавеющей стали AISI 316. Для заказа полностью нержавеющего изделия используйте префикс 11....; если требуется корпус из AISI 316 с гайкой из AISI 304, необходимо использовать префикс 14..... Выбор материала обеспечивается высокой эксплуатационной надежностью в особых условиях.