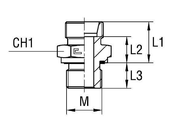
Переходник под кольцо DL08 M18x1.5 (корпус) арт. 100625.1 от Cast
Переходник под кольцо DL08 M18x1.5 (корпус). Соединения с врезным кольцом (DIN 2353). Прямой ввертной адаптер Metric с уплотнением ED
Корпус прямого переходника DL (артикул 100625.1) производства **CAST** предназначен для создания герметичного и надежного трубного соединения в гидравлических системах серии L (легкая серия). Данный фитинг CAST используется в качестве стационарного элемента для подключения метрической трубы диаметром 8 мм к порту с внутренней резьбой M18x1.5. Основные области применения включают системы смазки, топливные линии, а также мобильную и стационарную технику, работающую при стандартном рабочем давлении до 400 бар.
Конструктивно данный элемент является корпусом переходника, предназначенным для формирования трубного соединения стандарта 24° DIN 2353. Он обеспечивает высокоточное уплотнение за счет врезания кольца в трубку и создания герметичного контакта под углом 24 градуса. Корпус изготовлен из высокопрочной стали, гарантируя долговечность и устойчивость к вибрационным нагрузкам в промышленных условиях, что критически важно для долгосрочной эксплуатации.
- Рабочее давление (WP): 400 бар
- Серия: L (Легкая)
- Номинальный диаметр трубы (D1): 8 мм
- Присоединительная резьба (M): M18x1.5
- Стандарт соединения: 24° DIN 2353
- Размер под ключ CH1: 24 мм
Стандартное исполнение (артикул 100625.1) изготовлено из стали с защитным покрытием. Для сред с повышенными требованиями к коррозионной стойкости и работе с агрессивными средами, доступны варианты из нержавеющей стали AISI 316. При заказе изделий из нержавеющей стали необходимо заменить префикс артикула 10.... на 11.... (корпус, кольцо и гайка из AISI 316) или на 14.... (корпус из AISI 316, гайка из AISI 304). Обратите внимание, что для создания полноценного соединения необходимы гайка и врезное кольцо, которые не входят в комплект поставки корпуса.