Переходник-ниппель DS25 BSP 1" арт. 600721 от Cast
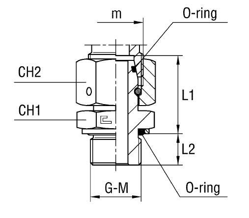
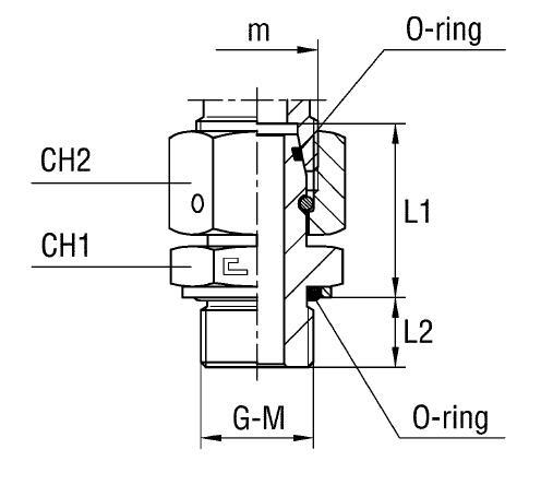
Переходник-ниппель DS25 BSP 1". Соединения с врезным кольцом (DIN 2353). Прямой ввертной адаптер BSP с уплотнением O-Ring
Переходник-ниппель артикул 600721 производства CAST серии S разработан для создания надежных и герметичных соединений в гидравлических системах. Изделие предназначено для оптимизации подключения различных компонентов, обеспечивая высокую производительность при стандартном давлении. Основные области применения включают станочное оборудование, мобильную технику и системы, использующие гидравлические масла, топливо и смазочные материалы.
Конструктивно данный переходник представляет собой элемент для соединения с трубными соединениями стандарта 24° DIN 2353. Его геометрия обеспечивает точное и безопасное подключение, гарантируя отсутствие утечек даже при высоких рабочих нагрузках. Совместимость с данным стандартом делает его универсальным решением для инженерных задач, где требуется соответствие международным нормам.
- Артикул: 600721
- Рабочее давление (WP): 280 бар
- Диаметр трубы D1: 25 мм
- Резьба G: 1" BSP
- Резьба M D1: 36x2
- Размер под ключ CH1: 41 мм
- Размер под ключ CH2: 46 мм
- Длина L1: 50.6 мм
- Длина L2: 15.4 мм
- Стандарт трубного соединения: 24° DIN 2353
Данный фитинг CAST поставляется без дополнительных комплектующих, таких как уплотнительные шайбы. Стандартное исполнение выполнено из высококачественной стали. Для применения в условиях повышенной коррозионной активности или агрессивных сред доступно исполнение из нержавеющей стали AISI 316. При заказе изделий из нержавеющей стали необходимо заменить первые две цифры артикула с "60..." на "61...".