Переходник-ниппель DS12 NPT 3/8" арт. 601017 от Cast
Переходник-ниппель DS12 NPT 3/8. Соединения с врезным кольцом (DIN 2353). Прямой ввертной адаптер NPT (уплотнение по резьбе)
Переходник-ниппель CAST артикул 601017 представляет собой ключевой элемент для создания герметичных и надежных гидравлических соединений. Разработанный для систем со стандартным давлением, он обеспечивает эффективное подключение в широком спектре промышленных применений, включая станки, мобильную технику и специализированное оборудование. Произведенный компанией CAST, этот элемент гарантирует высокое качество и долговечность в гидравлических системах, работающих с маслом или топливом.
Данный ниппель является прямым переходником, спроектированным для обеспечения надежного и герметичного соединения. Полностью соответствует стандарту DIN 2353 для 24-градусных конических соединений, что гарантирует его совместимость с широким спектром трубных соединений. Оптимизированная конструкция из полого болта обеспечивает простой монтаж и демонтаж, поддерживая при этом компактность системы без снижения пропускной способности.
- Артикул: 601017
- Бренд: CAST
- Рабочее давление (WP): 630 бар
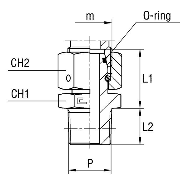
- Диаметр трубы D1: 12 мм
- Резьба P: 3/8 дюйма
- Размер под ключ (CH2): 24 мм
- Стандарт трубного соединения: Соединения 24° DIN 2353
- Длина L1: 15 мм
- Длина L2: 19 мм
- Серия: S
Стандартное исполнение ниппеля выполнено из высококачественной стали. Для применения в агрессивных средах или условиях повышенной коррозионной активности доступен вариант из нержавеющей стали AISI 316. Для заказа этой версии необходимо заменить префикс артикула с 60... на 61... (поставка осуществляется по запросу). Дополнительно, для обеспечения максимальной герметичности, рекомендуется использовать соответствующие уплотнительные шайбы, которые не входят в стандартную комплектность и заказываются отдельно. Этот фитинг CAST является оптимальным решением для долговечных трубных соединений.