Переходник-ниппель DS12 BSP 3/8" арт. 600717 от Cast
Переходник-ниппель DS12 BSP 3/8". Соединения с врезным кольцом (DIN 2353). Прямой ввертной адаптер BSP с уплотнением O-Ring
Данный переходник-ниппель, артикул 600717, от производителя CAST представляет собой ключевой элемент для создания герметичных и надежных соединений в гидравлических системах. Основное назначение — обеспечение сопряжения компонентов с различными типами резьбы и диаметрами труб. Продукт идеально подходит для использования в системах со стандартным давлением, включая индустриальное оборудование, сельскохозяйственную технику и станочные комплексы.
Конструктивно переходник представляет собой гидравлический фитинг, обеспечивающий высокопрочное соединение. Он соответствует стандарту DIN 2353, что гарантирует совместимость с широким спектром компонентов для 24-градусных конусных соединений. Универсальность конструкции позволяет использовать его в системах, где требуется монтаж трубных соединений различных диаметров и типов резьбы, обеспечивая максимальную герметичность.
- Рабочее давление (WP): 315 бар
- Диаметр трубы D1: 12 мм
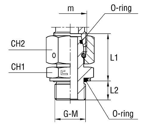
- Резьба G: BSP 3/8 дюйма
- Резьба m D1: 20x1.5 (метрическая)
- Серия: S (тяжелая серия)
- Стандарт трубного соединения: Соединения 24° DIN 2353
- Размер под ключ CH1 / CH2: 22 мм / 24 мм
- Длина L1 / L2: 36.3 мм / 10.2 мм
Переходник поставляется без дополнительных уплотнительных шайб или гаек, что обеспечивает гибкость в выборе комплектующих под конкретные задачи. Стандартное исполнение из стали обеспечивает высокую надежность. Для применения в агрессивных средах или условиях повышенной коррозии доступна модификация из нержавеющей стали AISI 316. Для заказа версии из нержавеющей стали достаточно заменить первые две цифры артикула с "60..." на "61...". Это гарантирует долговечность и стабильность работы в самых требовательных условиях, расширяя сферу применения данного фитинга CAST.