Переходник-ниппель DL12 BSP 3/8" арт. 600707 от Cast
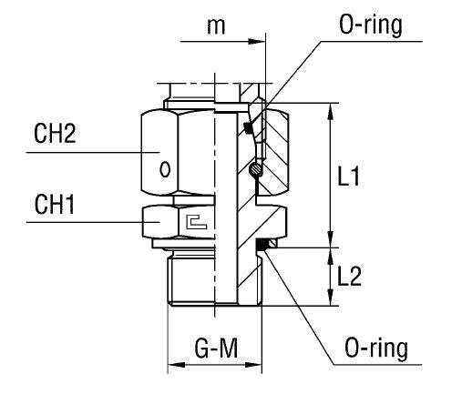
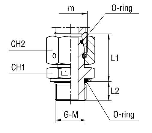
Переходник-ниппель DL12 BSP 3/8". Соединения с врезным кольцом (DIN 2353). Прямой ввертной адаптер BSP с уплотнением O-Ring
Переходник-ниппель CAST серии DL12 BSP 3/8", артикул 600707, предназначен для создания герметичного и надежного соединения гидравлических линий. Данный фитинг CAST обеспечивает компактное подключение в системах низкого и стандартного давления. Применяется в различных областях, включая станки, мобильную технику, системы смазки и топливопроводы.
Этот прямой переходной фитинг выполнен в соответствии со стандартом DIN 2353 для трубных соединений с конусом 24°. Его конструкция обеспечивает надежную герметичность и прочность соединения, являясь ключевым компонентом для создания долговечных гидравлических контуров. Предназначен для монтажа в трубных системах, требующих высокой точности и устойчивости к эксплуатационным нагрузкам.
- Артикул: 600707
- Бренд: CAST
- Рабочее давление (WP): 315 бар
- Диаметр трубы M1/D1: 12 мм
- Размер под ключ 1 (CH1): 22 мм
- Размер под ключ 2 (CH2): 22 мм
- Серия: L (легкая)
- Длина L1: 35.8 мм
- Длина L2: 10.2 мм
- Стандарт трубного соединения: DIN 2353 (24°)
- Резьба G: BSP 3/8"
- Резьба m D1: M18x1.5
Переходник поставляется без уплотнительных шайб, которые подбираются отдельно в зависимости от условий эксплуатации. Стандартное исполнение из стали обеспечивает высокую механическую прочность. Для условий с агрессивными средами или повышенными требованиями к коррозионной стойкости доступна версия из нержавеющей стали AISI 316. Для заказа изделия из нержавеющей стали необходимо заменить первые две цифры артикула с 60... на 61..., например, 610707.