Переходник-ниппель DL06 NPT 1/8"-M12x1.5 арт. 601004 от Cast
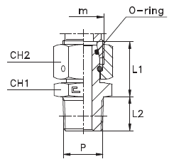
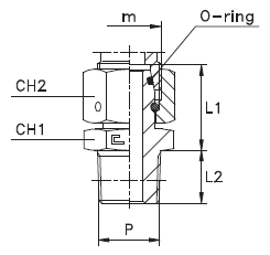
Переходник-ниппель DL06 NPT 1/8"-M12x1.5. Соединения с врезным кольцом (DIN 2353). Прямой ввертной адаптер NPT (уплотнение по резьбе)
Переходник-ниппель CAST артикул 601004 — это ключевой элемент для эффективного и надёжного соединения в гидравлических системах. Предназначен для герметичного перехода между различными стандартами и размерами резьбовых соединений. Изделие от производителя CAST обеспечивает стабильную работу в условиях стандартного давления, идеально подходит для систем смазки, топливных магистралей, а также применяется в оборудовании для станков и мобильной технике.
Данный гидравлический фитинг CAST выполнен в прямом исполнении, обеспечивая надёжную интеграцию компонентов. Соответствие стандарту DIN 2353 гарантирует совместимость с широким спектром трубных соединений с конусностью 24°. Это обеспечивает оптимальную герметичность и долговечность соединения, минимизируя риски утечек в критически важных узлах.
- Артикул: 601004
- Рабочее давление (WP): 315 бар
- Диаметр трубы: 6 мм
- Резьба 1 (NPT): 1/8 дюйма
- Резьба 2 (метрическая): M12x1.5
- Размер под ключ (CH2): 14 мм
- Материал: Сталь
- Стандарт: DIN 2353, 24° конус
Для заказа данного переходника-ниппеля из нержавеющей стали (AISI 316), обеспечивающего повышенную коррозионную стойкость и пригодность для агрессивных сред, необходимо заменить префикс артикула с «60» на «61» (например, 611004). Данные изделия доступны по запросу. В стандартную комплектность входят все необходимые уплотнительные шайбы, обеспечивающие моментальную готовность к монтажу. Это трубное соединение является универсальным решением для различных гидравлических контуров.